Para crear características utilizando códigos de control en Medir códigos
Podrá utilizar la códigos de control para crear características de línea, arco y polígono de punto a medida que los mide. Para ello, seleccione el código de característica para el punto y luego seleccione el código de control adecuado en la Barra de herramientas CAD.
Este tema describe cómo crear características utilizando códigos de control en el formulario Medir códigos. También puede crear características utilizando códigos de control en el formulario Medir puntos o Medir topo.
Al crear características mientras mide observaciones:
- Siempre seleccione el código de característica primero, seguido del código de control.
- Si es necesario, podrá seleccionar más de un código de control para una observación. Simplemente seleccione los códigos de control requeridos en la barra de herramientas.
- Si la característica utiliza varios códigos de característica de línea o al encadenar características, en el formulario Medir códigos, presione el botón Código múltiple
y seleccione primero los códigos característica de línea y luego seleccione el código de control (o códigos) en la barra de herramientas CAD. Los botones para los códigos de control activos no se destacan en amarillo cuando se utiliza el botón Código múltiple .
- Al crear características a medida que se miden los puntos, el flujo de trabajo es levemente diferente cuando se utiliza el formulario Medir puntos o Medir topo, en lugar de Medir códigos. En el formulario Medir códigos, seleccionará primero la acción código de control de la barra de herramientas CAD y luego seleccione el código de característica porque al seleccionar el código de característica por lo general se activa la medición. En el formulario Medir puntos o Medir topo, primero seleccionará el código de característica de línea en el campo Código y luego utilizará la barra de herramientas CAD para añadir el código de control al campo Código.
-
Debido a que los códigos de control normalmente se usan solo una vez al principio o al final de un elemento, al utilizar los códigos de control Medir puntos o Medir topo, los códigos de control se eliminan automáticamente del campo Código una vez que se mide el punto. El código de característica permanecerá en el campo Código, listo para el siguiente punto en la característica.

- Presione Iniciar secuencia de unión
. El código Iniciar secuencia de unión se añadirá al campo Código.
-
Seleccione el código de característica para la característica en el código formulario Medir códigos. Este código de característica debe definirse como una característica de línea en la biblioteca de códigos de característica. El código de característica de línea se añade al campo Código.
- Mida y almacene el punto.
- Siga midiendo puntos para formar la línea, asignando cada punto el mismo código de característica que ha utilizado para el punto de inicio. A medida que mide y almacena cada punto, cada segmento de línea aparecerá en el mapa.
-
Cuando llegue al punto final de la línea, presione Finalizar secuencia de unión.
. El código Finalizar secuencia de unión se añadirá al campo Código.
Presione Finalizar secuencia de unión
para asegurarse de que el siguiente punto que tiene el mismo código de característica de línea no se unirá a esta línea. Sin embargo, si siempre utiliza Iniciar secuencia de unión cuando inicia una secuencia de línea, la terminación de una característica con Finalizar secuencia de unión es opcional.
- Mida y almacene el punto.Este último punto almacenado finaliza la línea.

-
Presione Iniciar secuencia de unión
. El código Iniciar secuencia de unión se añadirá al campo Código.
Un arco tangencial debe estar unido a un punto como mínimo para que se pueda calcular la información de tangente.
- Seleccione el código de característica para la característica en el código formulario Medir códigos. Este código de característica debe definirse como una característica de línea en la biblioteca de códigos de característica. El código de característica de línea se añade al campo Código.
- Mida un punto como mínimo, desde el cual se trazará tangencialmente el arco.
-
Para empezar a crear el arco, presione Arco tangencia de inicio
. El código Arco tangencial de inicio se añadirá al campo de Código después del código de característica.
El acimut entre este punto y el punto anterior define la dirección de la tangente de entrada.
- Mida y almacene el punto.
-
Presione Arco tangencial final
. El código Arco tangencial final se añadirá al campo Código.
- Mida y almacene el punto. Este último punto almacenado finaliza el arco.
- Si es necesario, siga midiendo y almacenando puntos para la característica de línea.
Si un arco no puede calcularse, el segmento se traza como una línea roja de guiones para indicar que hay algo incorrecto. Las siguientes son situaciones donde sucederá esto:
- Se define un arco por dos puntos y no se define información no tangencial en la entrada al punto de arco inicial.
- Se define un arco de dos puntos como tangencial tanto en el inicio como en el fin pero estas tangentes no funcionan.

- Para incluir el arco como parte de una línea, presione Iniciar secuencia de unión
. El código Iniciar secuencia de unión se añadirá al campo Código.
- Seleccione el código de característica para la característica en el código formulario Medir códigos. Este código de característica debe definirse como una característica de línea en la biblioteca de códigos de característica. El código de característica de línea se añade al campo Código.
- Presione Arco no tangencial de inicio
. El código Arco no tangencial de inicio se añadirá al campo Código.
- Mida y almacene el punto.
- Siga midiendo puntos para formar el arco, asignando cada punto el mismo código de característica de línea que usted utilizó para el punto de inicio. A medida que mide y almacena cada punto, cada segmento de arco aparecerá en el mapa.
-
Al alcanzar el punto final del arco, presione Arco no tangencial final
. El código Arco no tangencial final se añadirá al campo Código.
- Mida y almacene el punto. Este último punto almacenado finaliza el arco.
Para medir el punto de transición entre dos arcos posterior a posterior, presione los botones Arco de inicio y Arco final antes de medir el último punto del primer arco.
Si no se puede calcular un arco, tal como cuando se han medido solo dos puntos del arco no tangencial, el segmento se traza como una línea de guiones roja para indicar que hay algo incorrecto.

Use el código de control Curva suave de inicio para crear una curva de aspecto suave. Los puntos siguientes se añaden a la curva suave hasta que utiliza el código de control Curva suave final.
Si cualquiera de los puntos que componen la curva tiene una cota (elevación) nula, la totalidad de la curva se considerará 2D, y se encontrará en el plano del terreno.
- Presione Curva suave de inicio
. El código Curva suave de inicio se añadirá al campo Código.
- Seleccione el código de característica para la característica en el código formulario Medir códigos. Este código de característica debe definirse como una característica de línea en la biblioteca de códigos de característica. El código de característica de línea se añade al campo Código.
- Mida y almacene el punto.
- Siga midiendo puntos para formar la curva, asignando cada punto el mismo código de característica de línea que usted utilizó para el punto de inicio. A medida que mide y almacena cada punto, cada segmento de curva aparece en el mapa.
- Al alcanzar el punto final del arco, presione Curva suave final
. El código de Curva suave final se añadirá al campo Código.
- Mida y almacene el punto.Este último punto almacenado finaliza la línea.

Para medir un rectángulo, podrá:
- Medir dos puntos, donde el primer punto (1) define una esquina el rectángulo, el segundo punto (2) define la siguiente esquina del rectángulo , y uno de los puntos incluye un valor de ancho (3). El primer punto utiliza el código de control de Iniciar rectángulo y el código de característica de línea y el segundo punto utiliza tan solo el código de característica de línea. Para uno de los puntos, introduzca el valor de ancho después del código de característica de línea. Por ejemplo, <Iniciar rectángulo> < Característica> 8 para el primer punto y luego <Característica de línea> para el segundo punto.
- Mida tres puntos, donde el primer punto (4), que define una esquina del rectángulo, el segundo punto (5) define la siguiente esquina del rectángulo y el tercer punto (6) se utiliza para definir el ancho. El primer punto utiliza el código de control de Iniciar rectángulo y el código de característica de línea y el segundo punto y tercer punto utilizan tan solo el código de característica de línea.
Los rectángulos se dibujan respetando la elevación de todos los puntos.
Para medir un rectángulo si conoce el ancho:
- Desplácese a la ubicación de la primera esquina del rectángulo.
- Presione
.
- Seleccione el código de característica para la característica en el código formulario Medir códigos. Este código de característica debe definirse como una característica de línea en la biblioteca de códigos de característica. El código de característica de línea se añade al campo Código.
- Presione Iniciar rectángulo
. El código Iniciar rectángulo se añadirá al campo Código.
- Introduzca el ancho del rectángulo en el campo Código múltiple. Introduzca un valor positivo para crear el rectángulo a la derecha de la dirección de la línea, y un valor negativo para crear el rectángulo a la izquierda.
- Mida y almacene el punto.
-
Muévase a la segunda esquina a lo largo de la longitud del rectángulo. Este punto usa el mismo código de característica de línea que ha seleccionado para el primer punto.
- Mida y almacene el punto. Este último punto almacenado finaliza el rectángulo y el rectángulo se traza en el mapa.
Para medir un rectángulo si no sabe cuál es el ancho:
- Desplácese a la ubicación de la primera esquina del rectángulo.
- Presione Iniciar rectángulo
. El código Iniciar rectángulo se añadirá al campo Código.
- Seleccione el código de característica para la característica en el código formulario Medir códigos. Este código de característica debe definirse como una característica de línea en la biblioteca de códigos de característica. El código de característica de línea se añade al campo Código.
- Mida y almacene el punto.
-
Muévase a la segunda esquina a lo largo de la longitud del rectángulo. Este punto usa el mismo código de característica de línea que ha seleccionado para el primer punto.
-
Mida y almacene el punto.
- Para medir otro punto para definir el ancho del rectángulo, desplácese a una ubicación en el lado opuesto del rectángulo. Este punto usa el mismo código de característica de línea que ha seleccionado para el primer punto.
- Mida y almacene el punto. Este último punto almacenado finaliza el rectángulo y el rectángulo se traza en el mapa.

Para medir el círculo, mida tres puntos que se encuentran en el borde del círculo. El primer punto utiliza el código de línea y el código de control Iniciar círculo (borde) y el segundo y tercer punto utilizan sencillamente el código característica de línea.
Los círculos se dibujan de forma horizontal en la elevación del primer punto con elevación.
- En el primer punto en el borde del círculo, presione Iniciar círculo (borde)
. El código de Iniciar círculo (borde) se añadirá al campo Código.
- Seleccione el código de característica para la característica en el código formulario Medir códigos. Este código de característica debe definirse como una característica de línea en la biblioteca de códigos de característica. El código de característica de línea se añade al campo Código.
- Mida y almacene el punto.
- Muévase al segundo punto en el borde del círculo. Este punto usa el mismo código de característica de línea que ha seleccionado para el primer punto.
- Mida y almacene el punto.
- Muévase al tercer punto en el borde del círculo. Este punto usa el mismo código de característica de línea que ha seleccionado para el primer punto.
- Mida y almacene el punto. Este último punto almacenado finaliza el círculo y el círculo se traza en el mapa.

Para medir un círculo utilizando el centro del círculo, podrá:
- Medir un solo punto (1) en el centro del círculo donde dicho punto utiliza el código de control Iniciar círculo (centro), y el código de característica de línea, seguido de un valor de radio (2). Por ejemplo, <Iniciar círculo (centro)> <Característica de línea> 8.
- Mida un punto (3) en el centro del círculo y luego mida un segundo punto (4) que se encuentra en el borde del círculo y se utiliza para definir el radio del círculo. El primer punto utiliza el código de control Iniciar círculo (centro) y el código de característica de línea y el segundo punto utiliza solo el código de característica de línea. Por ejemplo, <Característica de línea> <Iniciar círculo (centro)> para el primer punto y luego <Característica de línea> para el segundo punto.
Los círculos se dibujan de forma horizontal en la elevación del primer punto con elevación.
Para medir un círculo cuando conoce el radio:
- Presione
.
- Seleccione el código de característica para la característica en el código formulario Medir códigos. Este código de característica debe definirse como una característica de línea en la biblioteca de códigos de característica. El código de característica de línea se añade al campo Código.
- En el centro del círculo, presione Iniciar círculo (centro)
. El código Iniciar círculo (círculo) se añadirá al campo Código.
-
Introduzca el valor de radio en el campo Código múltiple.
-
Mida y almacene el punto.
El círculo se trazará en el mapa.
Para medir un círculo cuando no conoce el radio:
- En el centro del círculo, presione Iniciar círculo (centro)
. El código Iniciar círculo (círculo) se añadirá al campo Código.
- Seleccione el código de característica para la característica en el código formulario Medir códigos. Este código de característica debe definirse como una característica de línea en la biblioteca de códigos de característica. El código de característica de línea se añade al campo Código.
-
Mida y almacene el punto.
- Para medir un punto para definir el radio, muévase a una ubicación en el borde del círculo. Este punto usa el mismo código de característica de línea que ha seleccionado para el primer punto.
- Mida y almacene el punto. Este último punto completa el círculo y el círculo se traza en el mapa.

Podrá añadir una distancia al eje horizontal y/o vertical para desplazar líneas y arcos.
No podrá desplazar líneas creadas utilizando los códigos de control de curva suave.
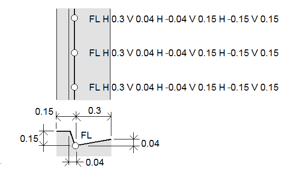
Por ejemplo, al realizar un levantamiento de bordillo y cuneta, podrá medir puntos a la línea de flujo (invertir) de la cuneta utilizando un código de línea y luego configurar los códigos de control horizontal y desajuste vertical para el bordillo y cuneta. Por ejemplo, <Código de línea> <D.eje horizontal> 0,3 <D.eje vertical> 0,04.
Consulte los siguientes ejemplos reales de un bordillo y cuneta donde FL es el código de línea para la línea de flujo, H es el código de control para la distancia al eje horizontal y V es el código de control para la distancia al eje vertical:
Para aplicar valores de distancia al eje al siguiente punto a medir:
- Presione D.eje
.
- En el campo Número, seleccione el número de distancias al eje a definir.
-
Introduzca los valores de D.eje horizontal y D.eje vertical.
El valor de D.eje horizontal positiva se desplaza a la derecha de la dirección de la línea, y un valor negativo se desplaza hacia la izquierda.
El valor de D.eje vertical positiva se desplaza sobre la línea, un valor negativo se desplaza por debajo de la línea.
-
Presione Aceptar.
La información de distancia al eje se muestra en el campo Código, lo que indica que el valor (o valores) de distancia al eje se aplicará a la siguiente medición.
Al aplicar distancias al eje, Trimble recomienda utilizar los códigos de control Iniciar secuencia de unión
y Finalizar secuencia de unión
para iniciar y finalizar la línea. El código de control Finalizar secuencia de unión
automáticamente desactiva el botón d. eje y quita el texto desplazado.

- Para unir el punto actual a un punto seleccionado, presione Unir al punto
y luego introduzca el nombre del punto o seleccione el punto en el mapa y presione Aceptar.
- Para unir un punto al primer punto en la secuencia que tiene el mismo código de característica de línea, presione Unir al primero (mismo código)
.
- Para medir un punto pero no unirlo al último punto medido, presione Omitir unión
y luego mida y almacene el punto.

- Para comprobar cuál será el siguiente Nombre de punto, presione
. El texto tras el elemento de menú Nombre punto siguiente indica el siguiente nombre de punto.
- Para configurar el nombre para el siguiente punto, presione
y seleccione Nombre punto siguiente.
- Introduzca el nombre de punto y un código para el siguiente punto.
- Presione Aceptar.