Vytváření funkcí pomocí řídicích kódů v Měření kódů
Toto téma popisuje, jak vytvořit funkce pomocí řídicích kódů ve formuláři Měření kódů.Funkce můžete také vytvářet pomocí řídicích kódů ve formuláři Měření bodů nebo Měření topo.
Když vytváříte prvky při pozorování bodů:
- Vždy nejprve vyberte kód prvku následovaný řídicím kódem.
- V případě potřeby můžete pro pozorování vybrat více než jeden řídicí kód. Jednoduše vyberte požadované řídicí kódy na panelu nástrojů.
- Pokud prvek používá více kódů prvků čáry, nebo když provádíte řazení prvků, ve formuláři Měření kódů klikněte na tlačítko Multi-code
a nejprve vyberte kódy prvků čáry a pak vyberte řídicí kód(y) z panelu nástrojů CAD. Tlačítka aktivních řídicích kódů nejsou při použití tlačítka Vícenásobný kód zvýrazněna žlutě.
- Při vytváření prvků při měření bodů je pracovní postup poněkud odlišný, pokud raději používáte formulář Měření bodů nebo Měření topo, než formulář Měření kódů. Ve formuláři Měření kódů nejprve vyberte akci řídicího kódu z panelu nástrojů CAD a poté vyberte kód funkce, protože výběr kódu funkce obvykle spustí měření.Ve formuláři Měření bodů nebo Měření topo nejprve vyberte kód prvku čáry v poli Kód a pak pomocí panele nástrojů CAD přidáte řídicí kód do pole Kód.
-
Protože řídicí kódy jsou normálně používány pouze jednou na začátku nebo konci položky, při použití formuláře Měření bodů nebo Měření topo jsou řídicí kódy automaticky z pole Kód odstraněny, jakmile je bod změřen.Prvek kódu zůstává v poli Kód připravený pro další bod v prvku.

- Klikněte na Začátek spojovací sekvence
. Kód Začátek spojovací sekvence je přidán do pole Kód.
-
Vyberte kód funkce pro funkce ve kód formuláři Měření kódů.Tato funkce kódu musí být definována jako liniová funkce v knihovně kódů funkcí.Řádek kódu funkce je přidán do pole Kódu.
- Měření a uložení bodu.
- Pokračujte v měření bodů, které tvoří čáru, přiřazení každého bodu stejnému kódu prvku, jak jste požili pro počáteční bod. Při měření a ukládání každého bodu se každý segment čáru zobrazí na mapě.
-
Když dosáhnete konečného bodu čáry, klikněte na Konec spojovací sekvence
. Kód Konec spojovací sekvenci je přidán do pole Kód.
Klikněte na Konec spojovací sekvence
, abyste se ujistili, že se k této čáře nepřipojí další bod, který má stejný kód prvku čáry. Pokud však vždy použijete Začátek spojovací sekvence, když začínáte sekvenci čáry, pak je ukončení prvku s Koncem spojovací sekvence volitelné.
- Měření a uložení bodu. Tento poslední uložený bod ukončí čáru.

-
Klikněte na Začátek spojovací sekvence
. Kód Začátek spojovací sekvence je přidán do pole Kód.
Tangenciální oblouk musí být spojen alespoň jedním bodem, aby bylo možné vypočítat informace o tangentě.
- Vyberte kód funkce pro funkce ve kód formuláři Měření kódů.Tato funkce kódu musí být definována jako liniová funkce v knihovně kódů funkcí.Řádek kódu funkce je přidán do pole Kódu.
- Změřte alespoň jeden bod, ze kterého bude oblouk tangenciálně nakreslen.
-
Chcete-li začít vytvářet oblouk, klikněte na Začátek tangenciálního oblouku
. Kód Začátek tangenciálního oblouku je přidán do pole Kód za kód prvku.
Azimut mezi tímto bodem a předcházejícím bodem definuje směr vstupu tangenty.
- Měření a uložení bodu.
-
Klikněte na Konec tečného oblouku
. Kód Konec tangenciálního oblouku je přidán do pole Kód.
- Měření a uložení bodu. Tento poslední uložený bod ukončí oblouk.
- V případě potřeby pokračujte v měření a ukládání bodů čáry.
Pokud nemůže být oblouk vypočítán, nakreslí část jako přerušovaná červená linie značící, že je něco špatně. Situace, které mohly nastat:
- Oblouk je definován dvěma body a na vstupu do botu začátku oblouku nejsou definovány žádné informace o tečnosti.
- Oblouk je definován dvěma body s informacemi o počáteční a koncové tangentě, ale tyto tangenty nefungují.

- Chcete-li zahrnout oblouk do čáry, klikněte na Začátek spojovací sekvence
. Kód Začátek spojovací sekvence je přidán do pole Kód.
- Vyberte kód funkce pro funkce ve kód formuláři Měření kódů.Tato funkce kódu musí být definována jako liniová funkce v knihovně kódů funkcí.Řádek kódu funkce je přidán do pole Kódu.
- Klikněte na Začátek netangenciálního oblouku
. Kód Začátek netangenciálního oblouku je přidán do pole Kód.
- Měření a uložení bodu.
- Pokračujte v měření bodů, které tvoří oblouk, přiřazení každého bodu stejnému prvku čáry, jak jste použili pro počáteční bod. Při měření a ukládání každého bodu se každý segment oblouku zobrazí na mapě.
-
Když dosáhnete konečného bodu oblouku, klikněte na Konec netangenciálního oblouku
. Kód Konec netangenciálního oblouku je přidán do pole Kód.
- Měření a uložení bodu. Tento poslední uložený bod ukončí oblouk.
Pro zaměření bodu ležícího mezi dvěma spojovacími oblouky, před měření posledního bodu prvního bodu klikněte na tlačítka Konec oblouku a Začátek oblouku.
Pokud nelze oblouk vypočítat, například když byly změřeny pouze dva body netangenciálního oblouku, segment se nakreslí jako čárkovaná červená čára, která označuje, že něco není v pořádku.

Použijte řídicí kód Začátek vyhlazené křivky pro vytvoření kreslení křivky, která vypadá vyhlazeně.Další body jsou přidávány k vyhlazené křivce, dokud nepoužijete kód Konec vyhlazené křivky.
Pokud některý z bodů, které tvoří křivku, má nulovou výšku, potom se předpokládá, že celá křivka je 2D a leží v základní rovině.
- Klikněte na Začátek vyhlazené křivky
. Kód Začátek vyhlazené křivky je přidán do pole Kód.
- Vyberte kód funkce pro funkce ve kód formuláři Měření kódů.Tato funkce kódu musí být definována jako liniová funkce v knihovně kódů funkcí.Řádek kódu funkce je přidán do pole Kódu.
- Měření a uložení bodu.
- Pokračujte v měření bodů, které tvoří křivku, přiřazením každého bodu stejnému prvku čáry, jak jste použili pro počáteční bod. Při měření a ukládání každého bodu se každý segment křivky zobrazí na mapě.
- Když dosáhnete konečného bodu oblouku, klikněte na Konec vyhlazené křivky
. Kód Konec vyhlazené křivky je přidán do pole Kód.
- Měření a uložení bodu. Tento poslední uložený bod ukončí čáru.

Chcete-li měřit obdélník, můžete:
- Změřte dva body, kde první bod (1) definuje jeden roh obdélníku, druhý bod (2) definuje další roh obdélníků a jeden z bodu hodnotu šířky (3). První bod používá řídicí kód Začátek obdélníku a kód prvku čáry a druhý bod používá pouze kód prvku čáry. Pro jeden z bodů zadejte hodnotu šířky a kód prvku čáry. Například, < Začátek obdélníku> < Prvek čáry> 8 pro první bod a potom <Prvek čáry> pro druhý bod.
- Změřte tři body, kde první bod (4) definuje jeden roh obdélníku, druhý bod (5) definuje další roh obdélníku a třetí bod (6) slouží k definování šířky obdélníku. První bod používá řídicí kód Začátek obdélníku a kód prvku čáry a druhý a třetí bod používá pouze kód prvku čáry.
Obdélníky jsou vykresleny s ohledem na výšky všech bodů.
Měření obdélníku, pokud znáte šířku:
- Přesuňte se na místo prvního rohu obdélníku.
- Klikněte na
.
- Vyberte kód funkce pro funkce ve kód formuláři Měření kódů.Tato funkce kódu musí být definována jako liniová funkce v knihovně kódů funkcí.Řádek kódu funkce je přidán do pole Kódu.
- Klikněte na Začátek obdélníku
. Kód Začátek obdélníku je přidán do pole Kód.
- Do pole Multi-code zadejte šířku obdélníku.Zadejte kladnou hodnotu pro vytvoření obdélníku vpravo od směru čáry a zápornou hodnotu pro vytvoření obdélníku vlevo.
- Měření a uložení bodu.
-
Přesuňte se do druhého rohu podél délky obdélníku. Tento bod používá stejný kód prvku čáry, který jste vybrali pro první bod.
- Měření a uložení bodu.Tento poslední uložený bod ukončí obdélník a obdélník se nakreslí na mapu.
Měření obdélníku, pokud neznáte šířku:
- Přesuňte se na místo prvního rohu obdélníku.
- Klikněte na Začátek obdélníku
. Kód Začátek obdélníku je přidán do pole Kód.
- Vyberte kód funkce pro funkce ve kód formuláři Měření kódů.Tato funkce kódu musí být definována jako liniová funkce v knihovně kódů funkcí.Řádek kódu funkce je přidán do pole Kódu.
- Měření a uložení bodu.
-
Přesuňte se do druhého rohu podél délky obdélníku. Tento bod používá stejný kód prvku čáry, který jste vybrali pro první bod.
-
Měření a uložení bodu.
- Chcete-li změřit další bod pro definování šířky obdélníku, přesuňte se na místo na opačné straně obdélníku. Tento bod používá stejný kód prvku čáry, který jste vybrali pro první bod.
- Měření a uložení bodu.Tento poslední uložený bod ukončí obdélník a obdélník se nakreslí na mapu.

Pro změření kružnice změřte tři body, které leží na okraji kružnice. První bod používá kód prvku čáry a ovládací kód Začátek kódu (hrana) a druhý a třetí bod má pouze kód čáry.
Kružnice jsou vytvořeny horizontálně ve výšce prvního bodu s výškou.
- V prvním bodě na okraji kružnice klikněte na Začátek kružnice (okraj)
. Kód Začátek kružnice (okraj) je přidán do pole Kód.
- Vyberte kód funkce pro funkce ve kód formuláři Měření kódů.Tato funkce kódu musí být definována jako liniová funkce v knihovně kódů funkcí.Řádek kódu funkce je přidán do pole Kódu.
- Měření a uložení bodu.
- Přesuňte na druhý bod na okraji kružnice. Tento bod používá stejný kód prvku čáry, který jste vybrali pro první bod.
- Měření a uložení bodu.
- Přesuňte se na třetí bod okraje kružnice. Tento bod používá stejný kód prvku čáry, který jste vybrali pro první bod.
- Měření a uložení bodu.Tento poslední uložený bod ukončí kružnici a kružnice se nakreslí na mapu.

Chete-li měřit kružnici pomocí středu kružnice, můžete:
- Změřit jeden bod (1) ve středu kružnice, kde bod používá řídicí kód Začátek kružnice (střed) a kód prvku čáry, pak následuje hodnota poloměru (2). Například, <Začátek kružnice (střed)> <Prvek čáry> 8.
- Změřit jeden bod (3) ve středu kružnice a pak změřit druhý bod (4), který leží na okraji kružnice a slouží k definování poloměru kružnice. První bod používá řídicí kód Začátek kružnici (střed) a kód prvku čáry a druhý bod používá pouze kód prvku čáry. Například, <Prvek čáry> <Začátek kružnice (střed)> 8 pro první bod a potom <Prvek čáry> pro druhý bod.
Kružnice jsou vytvořeny horizontálně ve výšce prvního bodu s výškou.
Měření kružnice, pokud znáte poloměr:
- Klikněte na
.
- Vyberte kód funkce pro funkce ve kód formuláři Měření kódů.Tato funkce kódu musí být definována jako liniová funkce v knihovně kódů funkcí.Řádek kódu funkce je přidán do pole Kódu.
- Ve středu kružnice klikněte na Začátek kružnice (střed)
. Kód Začátek kružnice (střed) je přidán do pole Kód.
-
Zadejte hodnotu poloměru do pole Multi-code.
-
Měření a uložení bodu.
Kružnice je nakreslena na mapě.
Měření kružnice, pokud neznáte poloměr:
- Ve středu kružnice klikněte na Začátek kružnice (střed)
. Kód Začátek kružnice (střed) je přidán do pole Kód.
- Vyberte kód funkce pro funkce ve kód formuláři Měření kódů.Tato funkce kódu musí být definována jako liniová funkce v knihovně kódů funkcí.Řádek kódu funkce je přidán do pole Kódu.
-
Měření a uložení bodu.
- Chcete-li změřit bod k určení poloměru, přesuňte se na místo na okraji kružnice. Tento bod používá stejný kód prvku čáry, který jste vybrali pro první bod.
- Měření a uložení bodu.Tento poslední bod dokončí kružnici a kružnice se nakreslí do mapy.

K ofsetu čar a oblouků můžete přidat hodnotu horizontálního a/nebo vertikálního ofsetu.
Nemůžete použít ofset pro čárovou kresbu vytvořenou pomocí řídicích kódů vyhlazené křivky.
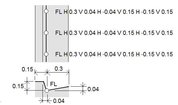
Například při vytyčování obrubníku a strouhy můžete pomocí měření kódů čáry ukazovat průtokovou čáru (dno) strouhy a pak nastavit vodorovné a vertikální ofset řídicích kódu pro obrubník a strouhu. Například, <Kód čáry> <Horizontální ofset> 0.3 <Vertikální ofset> 0.04.
Tyto kódy jsou ideální pro měření obrubníku a strouhy, kde FL je liniový kód pro směr toku, H je horizontální odsazení a V je vertikální odsazení:
Použití hodnot ofsetu na další měřený bod:
- Klikněte na Ofset
.
- Z pole Číslo vyberte počet ofsetů, které chcete definovat.
-
Zadejte hodnoty Horizontální ofset a Vertikální ofset.
Kladná hodnota Horizontálního ofsetu znamená posunutí doprava od směru čáry, záporná hodnota znamená posunutí doleva.
Kladná hodnota Vertikálního ofsetu znamená posunutí nad čáru, záporná hodnota znamená posunutí pod čáru.
-
Klikněte na Akceptovat.
Informace o ofsetu se zobrazí v poli Kód, které indikuje, že hodnota (hodnoty) ofsetu se použije pro další měření.
Při použití odsazení Trimble doporučujeme použít řídicí kódy Počáteční spojovací sekvence
a Konec spojovací sekvence
pro začátek a konec řádku. Kód ovládacího prvku Ukončit sekvenci
spojení automaticky vypne tlačítko odsazení a odstraní odsazený text.

- Chcete-li spojit aktuální bod s vybraným bodem, klikněte na položku Připojit k pojmenovanému bodu
a poté zadejte název bodu nebo vyberte bod na mapě a klikněte na položku Přijmout.
- Chcete-li spojit bod s prvním bodem v sekvenci, která má stejný kód prvku čáry, klikněte na Připojit k prvnímu (stejný kód)
.
- Chcete-li měřit bod, ale nepřipojovat jej k poslednímu změřenému bodu, klikněte na Přeskočit připojení
a změřte a uložte bod.

- Chcete-li zjistit, jaký bude název dalšího bodu, klikněte na
. Text za položkou nabídky Název dalšího bodu označuje název dalšího bodu.
- Chcete-li nastavit název pro další bod, klikněte na
a vyberte Název dalšího bodu.
- Zadejte název bodu a kód pro další bod.
- Klikněte na Akceptovat.