Para criar características usando códigos de controle em Medir códigos
Este tópico descreve como criar características usando códigos de controle no formulário Medir códigos. Também é possível criar características usando códigos de controle no formulário Medir pontos ou Medir topo.
Ao criar características enquanto você mede observações:
- Sempre selecione o código de característica primeiro, seguido pelo código de controle.
- Se necessário, você pode selecionar mais de um código de controle para uma observação. Basta selecionar os códigos de controle necessários na barra de ferramentas.
- Se o recurso usar vários códigos de característica de linha, ou ao sequenciar recursos, no formulário Medir códigos, pressione o botão Multicódigo
e selecione os códigos de característica de linha primeiro e depois selecione os códigos de controle da barra de ferramentas CAD. Os botões para os códigos de controle ativos não são destacados em amarelo quando se usa o botão Multicódigo.
- Ao criar características enquanto mede pontos, o fluxo de trabalho é um pouco diferente ao usar o formulário Medir pontos ou Medir topo, em vez do formulário Medir códigos. No formulário Medir códigos, você selecionará primeiro a ação do código de controle a partir da barra de ferramentas CAD e então selecionará o código de característica, pois selecionar o código de característica normalmente dispara a medição. No formulário Medir pontos ou Medir topo, você selecionará primeiro o código de característica de linha no campo Código e então usará a barra de ferramentas CAD para anexar o código de controle ao campo de Código.
-
Como os códigos de controle normalmente são usados apenas uma vez no início ou no fim de um item, ao usar o formulário Medir pontos ou Medir topo, os códigos de controle são removidos automaticamente do campo de Código depois que o ponto for medido. O código de característica permanece no campo de Código, pronto para o próximo ponto na característica.
- Pressione Iniciar sequência de união
. O código de Iniciar sequência de união é adicionado ao campo de Código.
-
Selecione o código de característica para a característica no formulário Medir códigos. Esse código de característica deve ser definido como uma característica de linha na biblioteca de código de características. O código de característica de linha é adicionado ao campo de Código.
- Medir e armazenar o ponto.
- Continue a medir pontos para formar a linha, atribuindo a cada ponto o mesmo código de característica que você usou para o ponto inicial. Conforme você mede e armazena cada ponto, cada segmento de linha aparece no mapa.
-
Quando chegar ao ponto final da linha, pressione Finalizar sequência de união
. O código de Finalizar sequência de união é adicionado ao campo de Código.
Pressione Finalizar sequência de união
para garantir que o próximo ponto que tenha o mesmo código de característica de linha não se una a essa linha. Entretanto, se você sempre usar Iniciar sequência de união ao iniciar uma sequência de linha, então finalizar uma característica com Finalizar sequência de união é opcional.
- Medir e armazenar o ponto. Este último ponto armazenado finaliza a linha.
-
Pressione Iniciar sequência de união
. O código de Iniciar sequência de união é adicionado ao campo de Código.
Um arco tangencial deve ser unido a pelo menos um ponto, de modo que a informação da tangente possa ser calculada.
- Selecione o código de característica para a característica no formulário Medir códigos. Esse código de característica deve ser definido como uma característica de linha na biblioteca de código de características. O código de característica de linha é adicionado ao campo de Código.
- Meça pelo menos um ponto, a partir do qual o arco será traçado tangencialmente.
-
Para iniciar a criação do arco, pressione Iniciar arco tangencial
. O código de Iniciar arco tangencial é adicionado ao campo de Código depois do código de característica.
O azimute entre esse ponto e o ponto anterior define a direção da tangente de entrada.
- Medir e armazenar o ponto.
-
Pressione Finalizar arco tangencial
. O código de Finalizar arco tangencial é adicionado ao campo Código.
- Medir e armazenar o ponto. Este último ponto armazenado finaliza o arco.
- Se necessário, continue medindo e armazenando pontos para a característica de linha.
Se um arco não puder ser calculado, o segmento será traçado como uma linha vermelha tracejada para indicar que algo está errado. Situações em que isso irá ocorrer são:
- Um arco é definido por dois pontos e nenhuma informação de tangente é definida na entrada para o ponto de iniciar arco.
- Um arco de dois pontos é definido como sendo tangente a ambos o início e o final, mas essas tangentes não funcionam.
- Para incluir o arco como parte de uma linha, pressione Iniciar sequência de união
. O código de Iniciar sequência de união é adicionado ao campo de Código.
- Selecione o código de característica para a característica no formulário Medir códigos. Esse código de característica deve ser definido como uma característica de linha na biblioteca de código de características. O código de característica de linha é adicionado ao campo de Código.
- Pressione Iniciar arco não tangente
. O código de Iniciar arco não tangente é adicionado ao campo de Código.
- Medir e armazenar o ponto.
- Continue a medir pontos para formar o arco, atribuindo a cada ponto o mesmo código de característica de linha que você usou para o ponto inicial. Conforme você mede e armazena cada ponto, cada segmento de arco aparece no mapa.
-
Quando chegar ao ponto final do arco, pressione Finalizar arco não tangente
. O código de Finalizar arco não tangente é adicionado ao campo de Código.
- Medir e armazenar o ponto. Este último ponto armazenado finaliza o arco.
Para medir o ponto de transição entre dois arcos sucessivos, pressione os botões Finalizar arco e Iniciar arco antes de medir o último ponto do primeiro arco.
Se um arco não puder ser calculado, como quando apenas dois pontos do arco não tangencial tiverem sido medidos, o segmento será traçado como uma linha vermelha tracejada para indicar que algo está errado.
Use o código de controle Iniciar curva suave para criar uma curva de traçado suave. Os pontos subsequentes serão adicionados à curva suave até que você utilize o código de controle Finalizar curva suave .
Se qualquer ponto que forme a curva tiver uma elevação nula, então toda a curva será considerada como sendo 2D e será assentada sobre o plano do solo.
- Pressione Iniciar curva suave
. O código Iniciar curva suave é adicionado ao campo de Código.
- Selecione o código de característica para a característica no formulário Medir códigos. Esse código de característica deve ser definido como uma característica de linha na biblioteca de código de características. O código de característica de linha é adicionado ao campo de Código.
- Medir e armazenar o ponto.
- Continue a medir pontos para formar a curva, atribuindo a cada ponto o mesmo código de característica de linha que você usou para o ponto inicial. Conforme você mede e armazena cada ponto, cada segmento aparece no mapa.
- Quando chegar ao ponto final do arco, pressione Finalizar curva suave
. O código Finalizar curva suave é adicionado ao campo de Código.
- Medir e armazenar o ponto. Este último ponto armazenado finaliza a linha.
Para medir um retângulo, é possível: 
- Medir dois pontos, onde o primeiro ponto (1) define um vértice do retângulo, o segundo ponto (2) define o vértice seguinte do retângulo e um dos pontos inclui um valor de largura (3). O primeiro ponto usa o código de controle Iniciar retângulo e o código de característica de linha e o segundo ponto usa apenas o código de característica de linha. Para um dos pontos, insira o valor da largura depois do código de característica de linha. Por exemplo, <Iniciar retângulo> < Característica de linha> 8 para o primeiro ponto e então <Característica de linha> para o segundo ponto.
- Meça três pontos, onde o primeiro ponto (4) define um vértice do retângulo, o segundo ponto (5) define o vértice seguinte do retângulo e o terceiro ponto (6) é usado para definir a largura do retângulo. O primeiro ponto usa o código de controle Iniciar retângulo e o código de característica de linha e o segundo e o terceiro pontos usam apenas o código de característica de linha.
Retângulos são traçados respeitando a elevação de todos os pontos.
Para medir um retângulo se você souber a largura:
- Siga para o local do primeiro vértice do retângulo.
- Clique em
.
- Selecione o código de característica para a característica no formulário Medir códigos. Esse código de característica deve ser definido como uma característica de linha na biblioteca de código de características. O código de característica de linha é adicionado ao campo de Código.
- Pressione Iniciar retângulo
. O código de Iniciar retângulo é adicionado ao campo de Código.
- Insira a largura do retângulo no campo Multicódigo. Insira um valor positivo para criar o retângulo à direita da direção da linha e um valor negativo para criar o retângulo à esquerda.
- Medir e armazenar o ponto.
-
Siga para o segundo vértice ao longo do comprimento do retângulo. Esse ponto usa o mesmo código de característica de linha que você selecionou para o primeiro ponto.
- Medir e armazenar o ponto. Esse último ponto armazenado termina o retângulo e o retângulo é desenhado no mapa.
Para medir um retângulo se você não souber a largura:
- Siga para o local do primeiro vértice do retângulo.
- Pressione Iniciar retângulo
. O código de Iniciar retângulo é adicionado ao campo de Código.
- Selecione o código de característica para a característica no formulário Medir códigos. Esse código de característica deve ser definido como uma característica de linha na biblioteca de código de características. O código de característica de linha é adicionado ao campo de Código.
- Medir e armazenar o ponto.
-
Siga para o segundo vértice ao longo do comprimento do retângulo. Esse ponto usa o mesmo código de característica de linha que você selecionou para o primeiro ponto.
-
Medir e armazenar o ponto.
- Para medir outro ponto para definir a largura do retângulo, mova-se para um local no lado oposto do retângulo. Esse ponto usa o mesmo código de característica de linha que você selecionou para o primeiro ponto.
- Medir e armazenar o ponto. Esse último ponto armazenado termina o retângulo e o retângulo é desenhado no mapa.
Para medir o círculo, medir três pontos localizados na extremidade do círculo. O primeiro ponto usa o código de característica de linha e o código de controle Iniciar círculo (extremidade), e o segundo e terceiro pontos usam apenas o código característica de linha.
Círculos são traçados horizontalmente na elevação do primeiro ponto com uma elevação.
- No primeiro ponto na extremidade do círculo, pressione Iniciar círculo (extremidade)
. O código Iniciar círculo (extremidade) é adicionado ao campo Código.
- Selecione o código de característica para a característica no formulário Medir códigos. Esse código de característica deve ser definido como uma característica de linha na biblioteca de código de características. O código de característica de linha é adicionado ao campo de Código.
- Medir e armazenar o ponto.
- Siga para o segundo ponto na extremidade do círculo. Esse ponto usa o mesmo código de característica de linha que você selecionou para o primeiro ponto.
- Medir e armazenar o ponto.
- Siga para o terceiro ponto na extremidade do círculo. Esse ponto usa o mesmo código de característica de linha que você selecionou para o primeiro ponto.
- Medir e armazenar o ponto. Esse último ponto armazenado termina o círculo, e o círculo é desenhado no mapa.
Para medir um círculo usando o centro do círculo, você pode: 
- Medir um único ponto (1) no centro do círculo onde esse ponto usa o código de controle Iniciar círculo (centro) e o código de característica de linha, seguidos por um valor de raio (2). Por exemplo, <Inicie círculo (centro)> <Característica de linha> 8.
- Medir um ponto (3) no centro do círculo e depois medir um segundo ponto (4) que fica na extremidade do círculo e é utilizado para definir o raio do círculo. O primeiro ponto usa o código de controle Iniciar círculo (centro) e o código de característica de linha e o segundo ponto usa apenas o código de característica de linha. Por exemplo, <Característica de linha> <Iniciar Círculo (centro)> para o primeiro ponto e então <Característica de linha> para o segundo ponto.
Círculos são traçados horizontalmente na elevação do primeiro ponto com uma elevação.
Para medir um círculo se você souber o raio:
- Clique em
.
- Selecione o código de característica para a característica no formulário Medir códigos. Esse código de característica deve ser definido como uma característica de linha na biblioteca de código de características. O código de característica de linha é adicionado ao campo de Código.
- No centro do círculo, pressione Iniciar círculo (centro)
. O código de Iniciar círculo (círculo) é adicionado ao campo de Código.
-
Insira o valor do raio no campo Multicódigo.
-
Medir e armazenar o ponto.
O círculo é traçado no mapa.
Para medir um círculo se você não souber o raio:
- No centro do círculo, pressione Iniciar círculo (centro)
. O código de Iniciar círculo (círculo) é adicionado ao campo de Código.
- Selecione o código de característica para a característica no formulário Medir códigos. Esse código de característica deve ser definido como uma característica de linha na biblioteca de código de características. O código de característica de linha é adicionado ao campo de Código.
-
Medir e armazenar o ponto.
- Para medir um ponto para definir o raio, siga para um local na extremidade do círculo. Esse ponto usa o mesmo código de característica de linha que você selecionou para o primeiro ponto.
- Medir e armazenar o ponto. Esse último ponto completa o círculo, e o círculo é traçado no mapa.
Você pode adicionar um valor de deslocamento horizontal e/ou vertical para deslocar linhas e arcos.
Você não pode deslocar traçados criados com códigos de controle de curvas suaves.
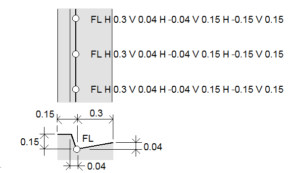
Por exemplo, ao fazer o levantamento de meio-fio e sarjeta, você pode medir pontos na linha de fluxo (inversor) da sarjeta usando um código de linha e então definir os códigos de controle de deslocamento horizontal e vertical para o meio-fio e a sarjeta. Por exemplo, <Código de Linha> <Deslocamento Horizontal> 0,3 <deslocamento vertical > 0,04.
Atente ao seguinte exemplo no mundo real de uma canaleta e meio-fio, em que FL é o código de linha para a linha de fluxo, H é o código de controle de deslocamento horizontal e V é o código de controle de deslocamento vertical.
Para aplicar valores de deslocamento ao próximo ponto a ser medido:
- Pressione Deslocamento
.
- No campo Número, selecione o número de deslocamentos a definir.
-
Insira os valores de Deslocamento horizontal e Deslocamento vertical.
Um valor de Deslocamento horizontal positivo desloca-se para a direita da direção da linha, um valor negativo desloca-se para a esquerda.
Um valor de Deslocamento vertical positivo desloca-se acima da linha, um valor negativo desloca-se abaixo da linha.
-
Clique em Aceitar.
As informações de deslocamento são mostradas no campo de Código, indicando que os valores de deslocamento serão aplicados à próxima medição.
Ao aplicar deslocamentos, a Trimble recomenda usar os códigos de controle Iniciar sequência de união
e Finalizar sequência de união
para iniciar e finalizar a linha. O código de controle Finalizar sequência de união
desativa automaticamente o botão de deslocamento e remove o texto deslocado.
- Para unir o ponto atual a um ponto selecionado, pressione Unir ao ponto nomeado
e então insira o nome do ponto ou selecione o ponto no mapa e pressione Aceitar.
- Para unir um ponto ao primeiro ponto na sequência que tenha o mesmo código de característica de linha, pressione Unir ao primeiro (mesmo código)
.
- Para medir um ponto, mas não uni-lo ao último ponto medido, clique em Não unir
e então meça e armazene o ponto.
- Para verificar qual será o próximo nome de ponto, pressione
. O texto após o item de menu Próximo nome de ponto indica o próximo nome de ponto.
- Para definir o nome do próximo ponto, pressione
e selecione Próximo nome de ponto.
- Insira o nome do ponto e o código para o próximo ponto.
- Clique em Aceitar.