Для создания объектов с использованием управляющих кодов в Быстрых кодах
В этом разделе описан порядок создания объектов с помощью управляющих кодов в форме Быстрые коды. Вы также можете создавать объекты с помощью управляющих кодов в формах Измерение точек или Съемка точек.
При создании объектов по мере выполнения измерений:
- Всегда сначала выбирайте код объекта, а затем управляющий код.
- В случае необходимости вы можете выбрать для измерения более одного управляющего кода. Просто выберите необходимые управляющие коды на панели инструментов.
- Если для объекта используются несколько кодов линейных объектов или при построении последовательностей, в форме Быстрые коды нажмите кнопку Несколько кодов
и выберите сначала коды линейных объектов, а затем выберите управляющий код(ы) на панели инструментов CAD. При использовании кнопки Несколько кодов, кнопки активных управляющих кодов не подсвечиваются желтым.
- Действия при создании объектов с использованием форм Измерение точек или Съемка точек немного отличаются от действий, выполняемых при создании объектов с использованием формы Быстрые коды. В форме Быстрые коды вы должны сначала выбрать действие управляющего кода на панели инструментов САПР, а затем выбрать код объекта, поскольку выбор кода объекта обычно запускает измерение. В формах Измерение точек или Съемка точек, вы должны сначала выбрать код линейного объекта в поле Код и затем использовать панель инструментов САПР для добавления управляющего кода в поле Код.
-
Поскольку управляющие коды обычно используются только один раз в начале или в конце элемента, при использовании форм Измерение точек или Съемка точек управляющие коды автоматически удаляются из поля Код после выполнения измерения. Коды объектов остаются в поле Код, позволяя выполнить съемку следующей точки объекта.
- Нажмите Начать последовательность
. Код Начать последовательность будет добавлен в поле Код.
-
Выберите код объекта в форме Быстрые коды. Этот код объекта должен быть определен как линейный объект в выбранной библиотеке объектов. Код линейного объекта будет добавлен в поле Код.
- Измерьте и сохраните точку.
- Продолжайте создавать линию, последовательно измеряя точки и назначая каждой точке тот же самый код объекта, который вы назначили начальной точке. После измерения и сохранения каждой точки, новый сегмент линии будет появляться на карте.
-
При съемке последней точки линии нажмите Закончить последовательность
. Код Закончить последовательность будет добавлен в поле Код.
Нажмите Закончить последовательность
, чтобы убедиться, что следующая точка с таким же кодом линейного объекта не будет присоединена к этой линии. Однако, если вы всегда будете использовать код Начать последовательность для начала линейной последовательности, то завершать объект с помощью кода Закончить последовательность необязательно.
- Измерьте и сохраните точку. Эта последняя сохраненная точка завершит линию.
-
Нажмите Начать последовательность
. Код Начать последовательность будет добавлен в поле Код.
Тангенциальная дуга должна быть соединена по крайней мере с одной точкой, чтобы можно было вычислить параметры касательной.
- Выберите код объекта в форме Быстрые коды. Этот код объекта должен быть определен как линейный объект в выбранной библиотеке объектов. Код линейного объекта будет добавлен в поле Код.
- Измерьте хотя бы одну точку, из которой дуга будет отрисована по касательной.
-
Чтобы начать создание дуги нажмите Начать по касательной к дуге
. Код Начать по касательной к дуге будет добавлен в поле Код после кода объекта.
Азимут между этой и предыдущей точкой определяет входное направление касательной.
- Измерьте и сохраните точку.
-
Нажмите Закончить по касательной к дуге
. Код Закончить по касательной к дуге будет добавлен в поле Код.
- Измерьте и сохраните точку. Эта последняя сохраненная точка завершит дугу.
- При необходимости продолжайте измерения и сохраняйте точки для создания линейного объекта.
Если вычисление дуги невозможно, сегмент отрисовывается в виде красной пунктирной линии, указывая, что что-то пошло не так. Ниже перечислены ситуации, когда это происходит.
- Дуга определяется двумя точками и, для начальной точки дуги не определены данные о касательной.
- Дуга с двумя точками определена как дуга по касательной в начале и конце, но эти тангенсы не работают.
- Чтобы включить дугу как часть линии, нажмите Начать последовательность
. Код Начать последовательность будет добавлен в поле Код.
- Выберите код объекта в форме Быстрые коды. Этот код объекта должен быть определен как линейный объект в выбранной библиотеке объектов. Код линейного объекта будет добавлен в поле Код.
- Нажмите Начать не по касательной к дуге
. Код Начать не по касательной к дуге будет добавлен в поле Код.
- Измерьте и сохраните точку.
- Продолжайте создавать дугу, последовательно измеряя точки и назначая каждой точке тот же самый код линейного объекта, который вы назначили начальной точке. После измерения и сохранения каждой точки, новый сегмент дуги будет появляться на карте.
-
При съемке последней точки дуги нажмите Закончить не по касательной к дуге
. Код Закончить не по касательной к дуге будет добавлен в поле Код.
- Измерьте и сохраните точку. Эта последняя сохраненная точка завершит дугу.
Чтобы измерить точку перехода между двумя последовательными кривыми, коснитесь кнопок Закончить дугу и Начать дугу перед измерением последней точки первой дуги.
Если вычисление дуги невозможно, например, когда были измерены только две точки не по касательной к дуге, сегмент отрисовывается в виде красной пунктирной линии, указывая, что что-то пошло не так.
Введите управляющий код Начать гладкую кривую, чтобы создать гладкую кривую. Все последующие точки будут добавляться к этой кривой, пока не будет использован управляющий код Закончить гладкую кривую.
Если какие‑либо из точек, образующих кривую, имеют нулевую отметку высоты, подразумевается, что вся кривая лежит в плоскости на уровне земной поверхности.
- Нажмите Начать гладкую кривую
. Код Начать гладкую кривую будет добавлен в поле Код.
- Выберите код объекта в форме Быстрые коды. Этот код объекта должен быть определен как линейный объект в выбранной библиотеке объектов. Код линейного объекта будет добавлен в поле Код.
- Измерьте и сохраните точку.
- Продолжайте создавать кривую, последовательно измеряя точки и назначая каждой точке тот же самый код линейного объекта, который вы назначили начальной точке. После измерения и сохранения каждой точки, новый сегмент кривой будет появляться на карте.
- При съемке последней точки дуги нажмите Закончить гладкую кривую
. Код Закончить гладкую кривую будет добавлен в поле Код.
- Измерьте и сохраните точку. Эта последняя сохраненная точка завершит линию.
Для съемки прямоугольника вы можете: 
- Выполнить измерение по двум точкам, когда первая точка (1) определяет один из углов прямоугольника, вторая точка (2) определяет следующий угол прямоугольника и одна из двух точек содержит значение ширины (3). Для первой точки используется управляющий код Начать прямоугольник и код линейного объекта, для второй - только код линейного объекта. Для одной из точек введите значение ширины после кода линейного объекта. Например, <Начать прямоугольник> <Код линейного объекта> 8 для первой точки и затем <Код линейного объекта> для второй точки.
- Выполнить измерение по трем точкам, когда первая точка (4) определяет один из углов прямоугольника, вторая точка (5) определяет следующий угол прямоугольника и третья точка (6) используется для задания ширины. Для первой точки используется управляющий код Начать прямоугольник и код линейного объекта, для второй и третьей - только код линейного объекта.
Прямоугольники создаются с сохранением высоты всех точек.
Для съемки прямоугольника, если известна его ширина:
- Перейдите к точке первого угла прямоугольника.
- Нажмите
.
- Выберите код объекта в форме Быстрые коды. Этот код объекта должен быть определен как линейный объект в выбранной библиотеке объектов. Код линейного объекта будет добавлен в поле Код.
- Нажмите Начать прямоугольник
. Код Начать прямоугольник будет добавлен в поле Код.
- Введите ширину прямоугольника в поле Несколько кодов. Введите положительное значение, чтобы создать прямоугольник справа от направления линии, и отрицательное значение, чтобы создать прямоугольник слева.
- Измерьте и сохраните точку.
-
Перейдите на второй угол по длине прямоугольника. Для этой точки также необходимо использовать тот же код линейного объекта, который вы выбрали для первой точки.
- Измерьте и сохраните точку. После записи этой точки создание прямоугольника будет завершено и он появится на карте.
Для съемки прямоугольника, если его ширина неизвестна:
- Перейдите к точке первого угла прямоугольника.
- Нажмите Начать прямоугольник
. Код Начать прямоугольник будет добавлен в поле Код.
- Выберите код объекта в форме Быстрые коды. Этот код объекта должен быть определен как линейный объект в выбранной библиотеке объектов. Код линейного объекта будет добавлен в поле Код.
- Измерьте и сохраните точку.
-
Перейдите на второй угол по длине прямоугольника. Для этой точки также необходимо использовать тот же код линейного объекта, который вы выбрали для первой точки.
-
Измерьте и сохраните точку.
- Чтобы измерить другую точку для определения ширины прямоугольника, перейдите к точке на противоположной стороне прямоугольника. Для этой точки также необходимо использовать тот же код линейного объекта, который вы выбрали для первой точки.
- Измерьте и сохраните точку. После записи этой точки создание прямоугольника будет завершено и он появится на карте.
Для съемки окружности необходимо измерить три точки, находящихся на окружности. Первой точке присваивается код линейного объекта и управляющий код Начать окружность (граница), второй и третьей точкам присваивается только код линейного объекта.
Окружности создаются в горизонтальной плоскости на высоте первой точки, имеющей отметку высоты.
- Перейдите к первой точке находящейся на окружности и нажмите Начать окружность (граница)
. Код Начать окружность (граница) будет добавлен в поле Код.
- Выберите код объекта в форме Быстрые коды. Этот код объекта должен быть определен как линейный объект в выбранной библиотеке объектов. Код линейного объекта будет добавлен в поле Код.
- Измерьте и сохраните точку.
- Перейдите ко второй точке находящейся на окружности Для этой точки также необходимо использовать тот же код линейного объекта, который вы выбрали для первой точки.
- Измерьте и сохраните точку.
- Перейдите ко третьей точке находящейся на окружности. Для этой точки также необходимо использовать тот же код линейного объекта, который вы выбрали для первой точки.
- Измерьте и сохраните точку. После записи этой точки создание окружности будет завершено и она появится на карте.
Для съемки окружности с помощью центра окружности вы можете: 
- Выполнить съемку одной точки (1) в центре окружности, когда для этой точки используется управляющий код Начать окружность (центр) вместе со значением радиуса (2). Например, <Начать окружность (центр)> <Код линейного объекта> 8.
- Выполнить съемку одной точки (3) в центре окружности, а затем измерить вторую точку (4), находящуюся на окружности и позволяющую определить ее радиус. Для первой точки используется управляющий код Начать окружность (центр) и код линейного объекта, для второй - только код линейного объекта. Например, <Код линейного объекта> <Начать окружность (центр)> для первой точки и затем <Код линейного объекта> для второй точки.
Окружности создаются в горизонтальной плоскости на высоте первой точки, имеющей отметку высоты.
Для съемки окружности, если известен ее радиус:
- Нажмите
.
- Выберите код объекта в форме Быстрые коды. Этот код объекта должен быть определен как линейный объект в выбранной библиотеке объектов. Код линейного объекта будет добавлен в поле Код.
- Находясь в центре окружности нажмите Начать окружность (центр)
. Код Начать окружность (центр) будет добавлен в поле Код.
-
Введите радиус окружности в поле Несколько кодов.
-
Измерьте и сохраните точку.
Окружность появится на карте.
Для съемки окружности, если ее радиус неизвестен:
- Находясь в центре окружности нажмите Начать окружность (центр)
. Код Начать окружность (центр) будет добавлен в поле Код.
- Выберите код объекта в форме Быстрые коды. Этот код объекта должен быть определен как линейный объект в выбранной библиотеке объектов. Код линейного объекта будет добавлен в поле Код.
-
Измерьте и сохраните точку.
- Чтобы измерить точку для определения радиуса, перейдите к любой точке, находящейся на окружности. Для этой точки также необходимо использовать тот же код линейного объекта, который вы выбрали для первой точки.
- Измерьте и сохраните точку. После записи этой точки создание окружности будет завершено и она появится на карте.
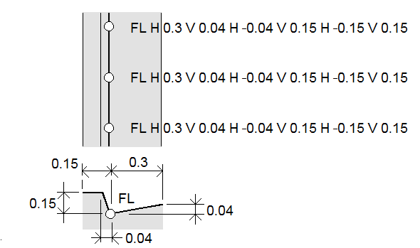
Вы можете добавить значение сдвига в плане и/или по высоте для сдвига линии или дуги.
Вы не можете выполнить сдвиг линии, созданной с помощью управляющего кода гладкой кривой.
Например, при съемке бордюра и водосточного канала вы можете измерить точки на нижней части канала, используя соответствующий код линейного объекта, а затем ввести управляющие коды для сдвига в плане и по высоте для бордюра и канала. Например, <Код линии> <Сдвиг в плане> 0.3 <Сдвиг по высоте> 0.04.
На приведенном ниже рисунке реального бордюра и траншеи, для линии потока указан код FL, H - управляющий код сдвига в плане и V - управляющий код сдвига по высоте:
Чтобы применить значения сдвига к следующей измеряемой точке:
- Нажмите Сдвиг
.
- В поле Номер выберите число задаваемых сдвигов.
-
Введите значения Сдвиг в плане и Сдвиг по высоте.
Положительное значение Сдвига в плане вызывает сдвиг вправо от направления линии, и отрицательное значение - сдвиг влево.
Положительное значение Сдвига по высоте вызывает сдвиг выше линии, и отрицательное значение - ниже.
-
Нажмите Принять.
Данные сдвига отображаются в поле Сдвиг, показывая значения сдвига(ов), которые будут применяться к следующему измерению.
При применении сдвигов Trimble рекомендует использовать управляющие коды Начать последовательность
и Закончить последовательность
для начала и окончания линии. Код элемента управления Закончить последовательность
автоматически отключает кнопку сдвига и удаляет текст сдвига.
- Чтобы соединить текущую точку с выбранной точкой, нажмите Объед с указанной точкой
, а затем введите имя точки или выберите точку на карте и нажмите Принять.
- Чтобы соединить точку с первой точкой в последовательности, имеющей тот же код линейного объекта, нажмите Объед с первой (одинак код)
.
- Чтобы измерить точку, но не соединять ее с последней измеренной точкой, нажмите Нет соединения
, а затем измерьте и сохраните точку.
- Чтобы посмотреть имя следующей точки нажмите
. Имя следующей точки отображается после элемента меню Имя следующей точки.
- Чтобы задать имя для следующей точки, нажмите
и выберите Имя следующей точки.
- Введите имя и код для следующей точки.
- Нажмите Принять.