Objekte in „Punkte mit Code messen“ mit Kontrollcodes erstellen
In diesem Abschnitt wird beschrieben, wie Sie Objekte anhand von Kontrollcodes im Bildschrim Punkte mit Code messen erstellen. Sie können Objekte auch mit Kontrollcodes im Bildschirm Punkte messen oder Topo messen erstellen.
Wenn Sie Objekte beim Messen von Beobachtungen erstellen, gilt Folgendes:
- Wählen Sie stets zuerst den Merkmalscode und danach den Kontrollcode aus.
- Bei Bedarf können Sie mehrere Kontrollcodes für eine Beobachtung auswählen. Wählen Sie einfach die erforderlichen Kontrollcodes in der Symbolleiste aus.
- Wenn für das Merkmal mehrere Linienobjektcodes verwendet werden oder die Merkmale aneinandergereiht werden, tippen Sie im Bildschirm Punkte mit Code messen auf die Schaltfläche Multi-Code
, und wählen Sie zuerst die Linienobjektcodes und dann den oder die Kontrollcodes in der CAD-Symbolleiste aus. Schaltflächen für die aktiven Kontrollcodes sind nicht gelb hervorgehoben, wenn Sie die Schaltfläche Multi-Code verwenden.
HINWEIS –
- Beim Erstellen von Objekten beim Messen von Punkten unterscheidet sich der Arbeitsablauf beim Verwenden des Bildschirms Punkte messen oder Topo messen geringfügig gegenüber dem Bildschirm Punkte mit Code messen. Im Bildschirm Punkte mit Code messen wählen Sie zuerst die Kontrollcodeaktion aus der CAD-Symbolleiste und wählen dann den Merkmalscode aus, da das Auswählen des Merkmalcodes normalerweise die Messung auslöst. Wählen Sie im Bildschirm Punkte messen oder Topo messen zuerst den Linienobjektcode im Feld Code aus, und ordnen Sie mit der CAD-Symbolleiste den Kontrollcode dem Feld Code zu.
-
Da Kontrollcodes normalerweise nur einmal am Anfang oder Ende eines Objekts verwendet werden, werden bei Verwendung des Bildschirms Punkte messen oder Topo messen die Kontrollcodes automatisch aus dem Feld Code entfernt, nachdem der Punkt gemessen wurde. Der Merkmalscode bleibt im Feld Code und steht für den nächsten Punkt im Objekt zur Verfügung.
Eine Linie mit der Methode „Punkte mit Code messen“ messen
- Tippen Sie auf Verbindungssequenz starten
. Der Code Verbindungssequenz starten wird zum Feld Code hinzugefügt.
-
Wählen Sie den Merkmalscode für das Objekt im Bildschirm Punkte mit Code messen aus. Dieser Merkmalscode muss als Linienobjekt in der Merkmalscodebibliothek definiert sein. Der Linienobjektcode wird zum Feld Code hinzugefügt.
- Messen und speichern Sie den Punkt.
- Fahren Sie mit dem Messen von Punkten fort, um die Linie zu bilden, während Sie jedem Punkt denselben Merkmalscode zuweisen, den Sie für den Startpunkt verwendet haben. Beim Messen und Speichern jedes Punktes werden die einzelnen Liniensegmente in der Karte angezeigt.
-
Wenn Sie den Endpunkt der Linie erreichen, tippen Sie auf Verbindungssequenz beenden
. Der Code Verbindungssequenz beenden wird zum Feld Code hinzugefügt.
Tippen Sie auf Verbindungssequenz beenden
, um sicherzustellen, dass der nächste Punkt mit demselben Linienobjektcode nicht mit dieser Linie verbunden wird. Wenn Sie allerdings beim Starten einer Linensequenz immer Verbindungssequenz starten verwenden, ist das Beenden eines Objekts mit Verbindungssequenz beenden optional.
- Messen und speichern Sie den Punkt. Dieser zuletzt gespeicherte Punkt beendet die Linie.
Einen tangentialen Bogen mit der Methode „Punkte mit Code messen“ messen
-
Tippen Sie auf Verbindungssequenz starten
. Der Code Verbindungssequenz starten wird zum Feld Code hinzugefügt.
HINWEIS – Ein tangentialer Bogen muss mit mindestens einem Punkt verbunden werden, damit die Tangenteninformationen berechnet werden können.
- Wählen Sie den Merkmalscode für das Objekt im Bildschirm Punkte mit Code messen aus. Dieser Merkmalscode muss als Linienobjekt in der Merkmalscodebibliothek definiert sein. Der Linienobjektcode wird zum Feld Code hinzugefügt.
- Messen Sie mindestens einen Punkt, von dem aus der Bogen tangential gezeichnet wird.
-
Tippen Sie zum Erstellen des Bogens auf Start tangentialer Bogen
. Der Code Start tangentialer Bogen wird zum Feld Code hinter dem Merkmalscode hinzugefügt.
Der Azimut zwischen diesem Punkt und dem vorigen Punkt definiert die Richtung der Eingangstangente.
- Messen und speichern Sie den Punkt.
-
Tippen Sie auf Ende tangentialer Bogen
. Der Code Ende tangentialer Bogen wird zum Feld Code hinzugefügt.
- Messen und speichern Sie den Punkt. Dieser zuletzt gespeicherte Punkt endet mit dem Bogen.
- Bei Bedarf können Sie weiterhin Punkte für das Linienobjekt messen und speichern.
HINWEIS – Wenn ein Segment beim Verarbeiten des Bogen-Merkmalcodes nicht berechnet werden kann, wird das Segment als gestrichelte rote Linie gezeichnet, um zu verdeutlichen, dass etwas nicht stimmt. Dies geschieht in folgenden Fällen:
- Ein Bogen wird durch zwei Punkte definiert und am Eingangspunkt zum Bogenstartpunkt sind keine Tangentendaten definiert.
- Ein Bogen mit zwei Punkten wird sowohl am Anfang als auch am Ende als tangential definiert, diese Tangenten funktionieren jedoch nicht.
Einen nicht-tangentialen Bogen mit der Methode „Punkte mit Code messen“ messen
- Tippen Sie auf Verbindungssequenz starten
, um den Bogen als Teil einer Gerade einzuschließen. Der Code Verbindungssequenz starten wird zum Feld Code hinzugefügt.
- Wählen Sie den Merkmalscode für das Objekt im Bildschirm Punkte mit Code messen aus. Dieser Merkmalscode muss als Linienobjekt in der Merkmalscodebibliothek definiert sein. Der Linienobjektcode wird zum Feld Code hinzugefügt.
- Tippen Sie auf Start nicht-tangentialer Bogen
. Der Code Start nicht-tangentialer Bogen wird zum Feld Code hinzugefügt.
- Messen und speichern Sie den Punkt.
- Fahren Sie mit dem Messen von Punkten fort, um den Bogen zu bilden, während Sie jedem Punkt denselben Merkmalscode zuweisen, den Sie für den Startpunkt verwendet haben. Beim Messen und Speichern jedes Punktes werden die einzelnen Bogensegmente in der Karte angezeigt.
-
Wenn Sie den Endpunkt des Bogens erreichen, tippen Sie auf Ende nicht-tangentialer Bogen
. Der Code Ende nicht-tangentialer Bogen wird zum Feld Code hinzugefügt.
- Messen und speichern Sie den Punkt. Dieser zuletzt gespeicherte Punkt endet mit dem Bogen.
TIPP – Zum Messen des Übergangspunkts zwischen aufeinander folgenden Bögen tippen Sie vor dem Messen des letzten Punkts für den ersten Bogen auf die Schaltflächen Bogen beginnen und Bogen beenden.
HINWEIS – Wenn ein Bogen nicht berechnet werden kann, z. B. wenn nur zwei Punkte des nicht-tangentialen Bogens gemessen wurden, wird das Segment als gestrichelte rote Linie gezeichnet, um anzuzeigen, dass etwas nicht stimmt.
Eine glatte Kurve mit der Methode „Punkte mit Code messen“ messen
Verwenden Sie den Kontrollcode Start glatte Kurve, um eine glatte Kurve zu erstellen. Der glatten Kurve werden nachfolgende Punkte hinzugefügt, bis Sie den Kontrollcode Ende glatte Kurve verwenden.
HINWEIS – Wenn ein Punkt, der die Kurve bildet, eine Nullhöhe hat, wird die gesamte Kurve als 2D angesehen und liegt auf der Horizontalebene.
- Tippen Sie auf Start glatte Kurve
. Der Code Start glatte Kurve wird zum Feld Code hinzugefügt.
- Wählen Sie den Merkmalscode für das Objekt im Bildschirm Punkte mit Code messen aus. Dieser Merkmalscode muss als Linienobjekt in der Merkmalscodebibliothek definiert sein. Der Linienobjektcode wird zum Feld Code hinzugefügt.
- Messen und speichern Sie den Punkt.
- Fahren Sie mit dem Messen von Punkten fort, um die Kurve zu bilden, während Sie jedem Punkt denselben Merkmalscode zuweisen, den Sie für den Startpunkt verwendet haben. Beim Messen und Speichern jedes Punktes werden die einzelnen Kurvensegmente in der Karte angezeigt.
- Wenn Sie den Endpunkt des Bogens erreichen, tippen Sie auf Ende glatte Kurve
. Der Code Ende glatte Kurve wird zum Feld Code hinzugefügt.
- Messen und speichern Sie den Punkt. Dieser zuletzt gespeicherte Punkt beendet die Linie.
Ein Rechteck mit der Methode „Punkte mit Code messen“ messen
Um ein Rechteck zu messen, können Sie Folgendes tun: 
- Messen Sie zwei Punkte, bei denen der erste Punkt (1) eine Ecke des Rechtecks definiert, der zweite Punkt (2) die nächste Ecke des Rechtecks definiert und einer der beiden Punkten einen Breitenwert (3) einschließt. Der erste Punkt verwendet den Kontrollcode Rechteck beginnen und den Linienobjektcode, und der zweite Punkt verwendet nur den Linienobjektcode. Geben Sie für einen der Punkte den Breitenwert nach dem Linienobjektcode ein. Beispiel: <Rechteck beginnen> <Linienobjekt> 8 für den ersten Punkt und dann <Linienobjekt> für den zweiten Punkt.
- Messen Sie drei Punkte, bei denen der erste Punkt (4) eine Ecke des Rechtecks definiert, der zweite Punkt (5) die nächste Ecke des Rechtecks definiert und der dritten Punkt (6) die Breite des Rechtecks definiert. Der erste Punkt verwendet den Kontrollcode Rechteck beginnen und den Linienobjektcode und der zweite und dritte Punkt verwenden nur den Linienobjektcode.
HINWEIS – Rechtecke werden so gezeichnet, dass die Höhenwerte aller Punkte berücksichtigt werden.
Rechteck messen, wenn Sie die Breite kennen:
- Wechseln zur Position der ersten Ecke des Rechtecks
- Tippen Sie auf
.
- Wählen Sie den Merkmalscode für das Objekt im Bildschirm Punkte mit Code messen aus. Dieser Merkmalscode muss als Linienobjekt in der Merkmalscodebibliothek definiert sein. Der Linienobjektcode wird zum Feld Code hinzugefügt.
- Tippen Sie auf Rechteck beginnen
. Der Code Rechteck beginnen wird zum Feld Code hinzugefügt.
- Geben Sie die Breite des Rechtecks im Feld Multi-Code ein. Geben Sie einen positiven Wert ein, um das Rechteck rechts von der Linienrichtung zu erstellen, und einen negativen Wert, um das Rechteck links davon zu erstellen.
- Messen und speichern Sie den Punkt.
-
Wechseln Sie zur zweiten Ecke entlang der langen Seite des Rechtecks. Dieser Punkt verwendet denselben Linienobjektcode, den Sie für den ersten Punkt gewählt haben.
- Messen und speichern Sie den Punkt. Dieser zuletzt gespeicherte Punkt beendet das Rechteck und das Rechteck wird in der Karte gezeichnet.
Rechteck messen, wenn Sie die Breite nicht kennen:
- Wechseln zur Position der ersten Ecke des Rechtecks
- Tippen Sie auf Rechteck beginnen
. Der Code Rechteck beginnen wird zum Feld Code hinzugefügt.
- Wählen Sie den Merkmalscode für das Objekt im Bildschirm Punkte mit Code messen aus. Dieser Merkmalscode muss als Linienobjekt in der Merkmalscodebibliothek definiert sein. Der Linienobjektcode wird zum Feld Code hinzugefügt.
- Messen und speichern Sie den Punkt.
-
Wechseln Sie zur zweiten Ecke entlang der langen Seite des Rechtecks. Dieser Punkt verwendet denselben Linienobjektcode, den Sie für den ersten Punkt gewählt haben.
-
Messen und speichern Sie den Punkt.
- Um einen weiteren Punkt zum Definieren der Breite des Rechtecks zu messen, wechseln Sie zu einer Position auf der gegenüberliegenden Seite des Rechtecks. Dieser Punkt verwendet denselben Linienobjektcode, den Sie für den ersten Punkt gewählt haben.
- Messen und speichern Sie den Punkt. Dieser zuletzt gespeicherte Punkt beendet das Rechteck und das Rechteck wird in der Karte gezeichnet.
Einen Kreis anhand des Kreisumfangs mit der Methode „Punkte mit Code messen“ messen
Zum Messen eines Kreises messen Sie drei Punkte definiert, die auf dem Kreisumfang liegen. Der erste Punkt verwendet den Merkmalscode und den Kontrollcode Kreis beginnen (Umfang), und der zweite und dritte Punkt verwendet den Linienobjektcode.
HINWEIS – Kreise werden bei der Höhe des ersten Punkts mit einem Höhenwert horizontal gezeichnet.
- Tippen Sie beim ersten Punkt auf dem Kreisumfang auf Kreis beginnen (Umfang)
. Der Code Kreis beginnen (Umfang) wird zum Feld Code hinzugefügt.
- Wählen Sie den Merkmalscode für das Objekt im Bildschirm Punkte mit Code messen aus. Dieser Merkmalscode muss als Linienobjekt in der Merkmalscodebibliothek definiert sein. Der Linienobjektcode wird zum Feld Code hinzugefügt.
- Messen und speichern Sie den Punkt.
- Wechseln zum zweiten Punkt auf dem Kreisumfang. Dieser Punkt verwendet denselben Linienobjektcode, den Sie für den ersten Punkt gewählt haben.
- Messen und speichern Sie den Punkt.
- Wechseln zum dritten Punkt auf dem Kreisumfang. Dieser Punkt verwendet denselben Linienobjektcode, den Sie für den ersten Punkt gewählt haben.
- Messen und speichern Sie den Punkt. Dieser zuletzt gespeicherte Punkt beendet den Kreis und der Kreis wird in der Karte gezeichnet.
Einen Kreis anhand des Kreismittelpunkts mit der Methode „Punkte mit Code messen“ messen
Um einen Kreis mit dem Kreismittelpunkt zu messen, können Sie Folgendes tun: 
- Messen Sie einen Punkt (1) am Kreismittelpunkt, wobei dieser Punkt den Kontrollcode Kreis beginnen (Mittelpkt.) verwendet, gefolgt von einem Radiuswert (2). Beispiel: <Kreis beginnen (Mittelpkt.)> <Linienobjekt> 8.
- Messen Sie einen Punkt (3) am Kreismittelpunkt und dann einen zweiten Punkt (4), der auf dem Kreisumfang liegt und den Kreisradius definiert. Der erste Punkt verwendet den Kontrollcode Kreis beginnen (Mittelpkt.) und den Linienobjektcode und der zweite Punkt verwendet nur den Linienobjektcode. Beispiel: <Linienobjekt> <Kreis beginnen (Mittelpkt.)> für den ersten Punkt und dann <Linienobjekt> für den zweiten Punkt.
HINWEIS – Kreise werden bei der Höhe des ersten Punkts mit einem Höhenwert horizontal gezeichnet.
Kreis messen, wenn Sie den Radius kennen:
- Tippen Sie auf
.
- Wählen Sie den Merkmalscode für das Objekt im Bildschirm Punkte mit Code messen aus. Dieser Merkmalscode muss als Linienobjekt in der Merkmalscodebibliothek definiert sein. Der Linienobjektcode wird zum Feld Code hinzugefügt.
- Tippen Sie am Kreismittelpunkt auf Kreis beginnen (Mittelpkt.)
. Der Code Kreis beginnen (Mittelpkt.) wird zum Feld Code hinzugefügt.
-
Geben Sie den Radiuswert im Feld Multi-Code ein.
-
Messen und speichern Sie den Punkt.
Der Kreis wird in der Karte gezeichnet.
Kreis messen, wenn Sie den Radius nicht kennen:
- Tippen Sie am Kreismittelpunkt auf Kreis beginnen (Mittelpkt.)
. Der Code Kreis beginnen (Mittelpkt.) wird zum Feld Code hinzugefügt.
- Wählen Sie den Merkmalscode für das Objekt im Bildschirm Punkte mit Code messen aus. Dieser Merkmalscode muss als Linienobjekt in der Merkmalscodebibliothek definiert sein. Der Linienobjektcode wird zum Feld Code hinzugefügt.
-
Messen und speichern Sie den Punkt.
- Um einen Punkt zum Definieren des Radius zu messen, wechseln Sie zu einer Position auf dem Kreisumfang. Dieser Punkt verwendet denselben Linienobjektcode, den Sie für den ersten Punkt gewählt haben.
- Messen und speichern Sie den Punkt. Dieser zuletzt gespeicherte Punkt schließt den Kreis ab und der Kreis wird in der Karte gezeichnet.
Einen Offset zu einer Linie oder einem Bogen hinzufügen
Sie können einen horizontalen und/oder vertikalen Offsetwert hinzufügen, um Geraden und Bögen zu versetzen.
HINWEIS – Sie können keinen Offset für Linien erzeugen, die mit Kontrollcodes für glatte Kurven erstellt wurden.
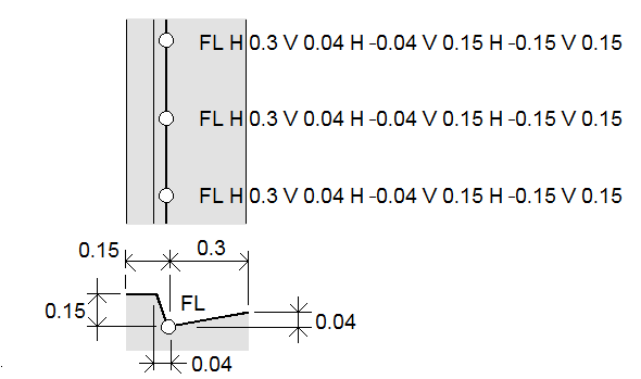
Wenn Sie z. B. einen Bordstein und einen Rinnstein messen, können Sie Punkte mit einem Liniencode auf der Flusslinie (Sohle) des Rinnsteins messen und dann die horizontalen und vertikalen Offset-Kontrollcodes für den Bordstein und den Rinnstein festlegen. Beispiel: <Liniencode> <Horizontaler Offset> 0.3 <Vertikaler Offset> 0.04.
Beachten Sie das folgende reale Beispiel eines Bordsteins und Rinnsteins, bei dem FL der Liniencode für die Flusslinie, H der Kontrollcode für den horizontalen Offset und V der Kontrollcode für den vertikalen Offset ist:
Offsetwerte für den nächsten Punkt anwenden, der gemessen werden soll:
- Tippen Sie auf Offset
.
- Wählen Sie im Feld Anzahl die Anzahl der zu definierenden Offsets aus.
-
Geben Sie die Werte für den horizontalen Offset und vertikalen Offset ein.
Ein positiver Wert für den horizontalen Offset erzeugt einen Versatz rechts von der Linienrichtung, ein negativer Wert erzeugt einen Versatz links davon.
Ein positiver Wert für den vertikalen Offset erzeugt einen Versatz über der Linie, ein negativer Wert einen Versatz unterhalb der Linie.
-
Tippen Sie auf Akzept.
Die Offsetinformationen werden im Feld Code angezeigt, um anzuzeigen, dass der oder die Offsetwerte für die nächste Messung angewendet werden.
HINWEIS – Wenn Offsets angewendet werden, empfiehlt Trimble, dass Sie die Kontrollcodes Verbindungssequenz starten
und Verbindungssequenz beenden
verwenden, um die Linie zu starten und zu beenden. Der Kontrollcode Verbindungssequenz beenden
schaltet die Offset-Schaltfläche automatisch aus und entfernt den Offset-Text.
Besondere Kontrollcodes zum Verbinden von Punkten und zum Überspringen von Verbindungen
- Um den aktuellen Punkt mit einem ausgewählten Punkt zu verbinden, tippen Sie auf Mit benanntem Punkt verbinden
. Geben Sie dann den Namen des Punktes ein oder wählen Sie den Punkt in der Karte aus, und tippen Sie auf Akzeptieren.
- Um einen Punkt mit dem ersten Punkt in der Sequenz zu verbinden, der denselben Linienobjektcode hat, tippen Sie auf Mit erstem verbinden (gl. Code)
.
- Um einen Punkt zu messen, diesen jedoch nicht mit dem zuletzt gemessenen Punkt zu verbinden, tippen Sie auf Kein Verbinden
und messen und speichern den Punkt.
Nächsten Punktnamen definieren
- Um den nächsten Punktnamen herauszufinden, tippen Sie auf
. Der Text nach dem Menüelement Nächster Punktname zeigt den nächsten Punktnamen an.
- Um den Namen für den nächsten Punkt festzulegen, tippen Sie auf
und wählen Nächster Punktname.
- Geben Sie einen Punktnamen und den Code für den nächsten Punkt ein.
- Tippen Sie auf Akzept.