Pour créer des caractéristiques utilisant des codes de contrôle dans Mesurer codes
Cette rubrique décrit comment créer des caractéristiques utilisant des codes de contrôle dans le formulaire Mesurer codes . Vous pouvez également créer des caractéristiques utilisant des codes de contrôle dans le formulaire, Mesurer points ou Mesurer Topo.
Lors de la création des caractéristiques au fur et à mesure que vous mesurez des observations :
- Toujours sélectionner le code de caractéristiques en premier, suivi par le code de contrôle.
- Si requis, vous pouvez sélectionner plus d'un code de contrôle pour une observation. Il suffit de sélectionner les codes de contrôle requis dans la barre d'outils.
- Si la fonction utilise des codes de caractéristiques de ligne multiples, ou lors de la mise en chaîne des entités, dans le formulaire Mesurer codes appuyez sur le bouton Multicode
et sélectionnez d'abord les codes de caractéristiques de ligne et puis sélectionnez le(s) code(s) de contrôle dans la barre d'outils CAO. Les boutons pour les codes de contrôle actifs ne sont pas mis en surbrillance en jaune lors de l'utilisation du bouton Multicode.
REMARQUE –
- Lors de la création des caractéristiques au fur et à mesure que vous mesurez des points, le flux de travail est légèrement différent lors de l’utilisation du formulaire Mesurer points ou Mesurer topo, au lieu du formulaire Mesurer codes. Dans le formulaire Mesurer codes, vous sélectionnerez d’abord l’action de code de contrôle à partir de la barre d’outils CAO et puis vous sélectionnerez le code de caractéristiques car la sélection du code de caractéristiques déclenche typiquement la mesure. Dans le formulaire Mesurer points ou Mesurer topo, vous sélectionnerez d’abord le code de caractéristiques de ligne dans le champ Code et puis vous utiliserez la barre d’outils CAO pour ajouter le code de contrôle au champ Code.
-
Étant donné que les codes de contrôle ne sont normalement utilisés qu’une seule fois au début ou à la fin d’une caractéristique, lors de l’utilisation du formulaire Mesurer points ou Mesurer topo les codes de contrôle sont automatiquement supprimés du champ Code dès que le point est mesuré. Le code de caractéristiques reste dans le champ Code, prêt pour le point suivant dans la caractéristique.
Pour mesurer une ligne en utilisant Mesurer codes
- Appuyez sur Commencer séq. liaison
. Le code Commencer séq. liaison est ajouté au champ Code. Le code Commencer séq. liaison est ajouté au champ Code.
-
Sélectionnez le code de caractéristiques pour l'entité dans le code formulaire Mesurer codes. Ce code de caractéristiques doit être défini comme un entité de ligne dans la bibliothèque de codes de caractéristiques. Le code d’entité de ligne est ajouté au champ Code.
- Mesurez et stockez le point.
- Continuez à mesurer des points pour former la ligne, en affectant chaque point le même code de caractéristiques que vous avez utilisé pour le point de début. Au fur et à mesure que vous mesurez et stockez chaque point, chaque segment de ligne s'affiche dans la carte.
-
Lorsque vous atteignez le point final de la ligne, appuyez sur Terminer séq. liaison
. Le code Terminer séq. liaison est ajouté au champ Code.
Appuyez sur Terminer séq. liaison
pour vous assurer que le point suivant avec le même code de caractéristiques de ligne ne se joigne pas à cette ligne. Cependant, si vous utilisez toujours Commencer séq. liaison lorsque vous mesurez le point suivant ayant le même code de caractéristiques de ligne, alors terminant une caractéristique avec Terminer séq. liaison est facultative.
- Mesurez et stockez le point. Ce dernier point stocké termine la ligne.
Pour mesurer un arc tangentiel utilisant Mesurer codes
-
Appuyez sur Commencer séq. liaison
. Le code Commencer séq. liaison est ajouté au champ Code. Le code Commencer séq. liaison est ajouté au champ Code.
REMARQUE – Un arc tangentiel doit être joint à au moins un point afin que les informations de tangente puissent être calculées.
- Sélectionnez le code de caractéristiques pour l'entité dans le code formulaire Mesurer codes. Ce code de caractéristiques doit être défini comme un entité de ligne dans la bibliothèque de codes de caractéristiques. Le code d’entité de ligne est ajouté au champ Code.
- Mesurez au moins un point, à partir duquel l'arc sera dessiné tangentiellement.
-
Pour commencer la création de l'arc, appuyez sur Arc tangentiel de début
. Le code Arc tangentiel de début est ajouté au champ Code après le code de caractéristiques.
L'azimut entre ce point et le point précédent définit la direction de la tangente d'entrée.
- Mesurez et stockez le point.
-
Appuyez sur Arc tangentiel de fin
. Le code Arc tangentiel de fin est ajouté au champ Code.
- Mesurez et stockez le point. Ce dernier point stocké finit l'arc.
- Si nécessaire, continuez de mesurer et de stocker des points pour l’entité de ligne.
REMARQUE – Si un arc ne peut pas être calculé, le segment est tracé comme une ligne rouge à traits pour indiquer que quelque chose n'est pas correcte. Les situations où cela se produira sont :
- Un arc est défini par deux point et aucunes informations de tangence ne sont définies à l’entrée du point de l’arc de début.
- Un arc à deux points est défini comme étant tangentiel au début et à la fin mais ces tangentes ne fonctionnent pas.
Pour mesurer un arc non-tangentiel utilisant Mesurer codes
- Pour inclure l'arc comme partie d'une ligne, appuyez sur Commencer séq. liaison
. Le code Commencer séq. liaison est ajouté au champ Code.
- Sélectionnez le code de caractéristiques pour l'entité dans le code formulaire Mesurer codes. Ce code de caractéristiques doit être défini comme un entité de ligne dans la bibliothèque de codes de caractéristiques. Le code d’entité de ligne est ajouté au champ Code.
- Appuyez sur Arc non tangentiel de début
. Le code Arc non tangentiel de début est ajouté au champ Code.
- Mesurez et stockez le point.
- Continuez à mesurer des points pour former l'arc, assignant chaque point le même code de caractéristiques de ligne que vous avez utilisé pour le point de début. Au fur et à mesure que vous mesurez et stockez chaque point, chaque segment d'arc s'affiche dans la carte.
-
Lorsque vous atteignez le point final de l'arc, appuyez sur Arc non-tangentiel de fin
. Le code Arc non-tangentiel de fin est ajouté au champ Code.
- Mesurez et stockez le point. Ce dernier point stocké finit l'arc.
ASTUCE – Pour mesurer le point de transition entre deux arcs dos-à-dos, appuyez sur les boutons Arc de fin et Arc de début avant de mesurer.
REMARQUE – Si un arc ne peut pas être calculé, par exemple lorsque seulement deux points de l’arc non-tangentiel ont été mesurés, le segment est tracé comme une ligne rouge à traits pour indiquer que quelque chose ne va pas.
Pour mesurer une courbe lisse utilisant Mesurer codes
Utilisez le code de contrôle Courbe lisse de début pour commencer une courbe lisse. Les points successifs sont ajoutés à la courbe lisse jusqu'à ce que vous utilisiez le code de contrôle Courbe lisse de fin.
REMARQUE – Si tout point constituant la courbe a une élévation nulle alors la courbe entière sera considéré comme 2D, et sera positionnée sur le plan au sol.
- Appuyez sur Courbe lisse de début
. Le code Courbe lisse de début est ajouté au champ Code.
- Sélectionnez le code de caractéristiques pour l'entité dans le code formulaire Mesurer codes. Ce code de caractéristiques doit être défini comme un entité de ligne dans la bibliothèque de codes de caractéristiques. Le code d’entité de ligne est ajouté au champ Code.
- Mesurez et stockez le point.
- Continuez à mesurer des points pour former la courbe, assignant chaque point le même code de caractéristiques de ligne que vous avez utilisé pour le point de début. Au fur et à mesure que vous mesurez et stockez chaque point, chaque segment de courbe s'affiche dans la carte.
- Lorsque vous arrivez au point final de l'arc, appuyez sur Courbe lisse de fin
. Le code Courbe lisse de fin est ajouté au champ Code.
- Mesurez et stockez le point. Ce dernier point stocké termine la ligne.
Pour mesurer un rectangle utilisant Mesurer codes
Pour mesurer un rectangle, vous pouvez : 
- Mesurez deux points, où le premier point (1) définit un coin du rectangle, le deuxième point (2) définit le coin suivant du rectangle, et l'un des points comprend une valeur de largeur (3). Le premier point utilise le code de contrôle Débuter rectangle et le code de caractéristiques de ligne et le deuxième point utilise uniquement le code de caractéristiques de ligne. Pour l'un des points, entrez la valeur de largeur après le code de caractéristiques de ligne. Par exemple, <Débuter rectangle> < Entité de ligne> 8 pour le premier point et puis <Entité de ligne> pour le deuxième point.
- Mesurez trois points où le premier point (4), définit un coin du rectangle, le deuxième point (5) définit le coin suivant du rectangle et le troisième point (6) est utilisé pour définir la largeur du rectangle. Le premier point utilise le code de contrôle du Débuter rectangle et le code de caractéristiques de ligne et le deuxième et le troisième point n'utilisent que le code de caractéristiques de ligne.
REMARQUE – Les rectangles sont tracés en respectant l'élévation de tous les points.
Pour mesurer un rectangle si vous connaissez la largeur :
- Déplacez-vous à l'emplacement du premier coin du rectangle.
- Appuyez sur
.
- Sélectionnez le code de caractéristiques pour l'entité dans le code formulaire Mesurer codes. Ce code de caractéristiques doit être défini comme un entité de ligne dans la bibliothèque de codes de caractéristiques. Le code d’entité de ligne est ajouté au champ Code.
- Appuyez sur Débuter rectangle
. Le code Débuter rectangle est ajouté au champ Code.
- Entrez la largeur du rectangle dans le champ Multi-code. Entrez une valeur positive pour créer le rectangle à droite de la direction de la ligne, et une valeur négative pour créer le rectangle à gauche.
- Mesurez et stockez le point.
-
Déplacez-vous au deuxième coin le long de la longueur du rectangle. Ce point utilise le même code de caractéristiques de ligne celui que vous avez sélectionné pour le premier point.
- Mesurez et stockez le point. Ce dernier point stocké termine le rectangle, et le rectangle est tracé sur la carte.
Pour mesurer un rectangle si vous ne connaissez pas la largeur :
- Déplacez-vous à l'emplacement du premier coin du rectangle.
- Appuyez sur Débuter rectangle
. Le code Débuter rectangle est ajouté au champ Code.
- Sélectionnez le code de caractéristiques pour l'entité dans le code formulaire Mesurer codes. Ce code de caractéristiques doit être défini comme un entité de ligne dans la bibliothèque de codes de caractéristiques. Le code d’entité de ligne est ajouté au champ Code.
- Mesurez et stockez le point.
-
Déplacez-vous au deuxième coin le long de la longueur du rectangle. Ce point utilise le même code de caractéristiques de ligne celui que vous avez sélectionné pour le premier point.
-
Mesurez et stockez le point.
- Pour mesurer un autre point pour définir la largeur du rectangle, déplacez-vous à un emplacement sur le côté opposé du rectangle. Ce point utilise le même code de caractéristiques de ligne celui que vous avez sélectionné pour le premier point.
- Mesurez et stockez le point. Ce dernier point stocké termine le rectangle, et le rectangle est tracé sur la carte.
Pour mesurer un cercle à l'aide du bord du cercle utilisant Mesurer codes
Pour mesurer le cercle, mesurer trois points que se trouvent au bord du cercle. Le premier point utilise le code de caractéristiques de ligne et le code de contrôle Débuter cercle (bord), et le deuxième et troisième points n'utilisent que le code caractéristiques de ligne.
REMARQUE – Les cercles sont tracés horizontaux à l'élévation du premier point avec une élévation.
- Au premier point du bord de cercle, appuyez sur Débuter cercle (bord)
. Le code Débuter cercle (bord) est ajouté au champ Code.
- Sélectionnez le code de caractéristiques pour l'entité dans le code formulaire Mesurer codes. Ce code de caractéristiques doit être défini comme un entité de ligne dans la bibliothèque de codes de caractéristiques. Le code d’entité de ligne est ajouté au champ Code.
- Mesurez et stockez le point.
- Déplacez-vous au deuxième point du bord du cercle. Ce point utilise le même code de caractéristiques de ligne celui que vous avez sélectionné pour le premier point.
- Mesurez et stockez le point.
- Déplacez-vous au troisième point du bord du cercle. Ce point utilise le même code de caractéristiques de ligne celui que vous avez sélectionné pour le premier point.
- Mesurez et stockez le point. Ce dernier point stocké termine le cercle, et le cercle est dessiné sur la carte.
Pour mesurer un cercle à l’aide du centre du cercle utilisant Mesurer codes
Pour mesurer un cercle utilisant le centre du cercle, vous pouvez: 
- Un point (1) unique au centre du cercle où ce point utilise le code de contrôle Débuter cercle (centre) et le code de caractéristiques de ligne suivi d'une valeur de rayon (2). Par exemple, <Débuter cercle (centre)> <Entité de ligne> 8.
- Mesurer un point (3) au centre du cercle, et puis un deuxième point (4)que se trouve au bord du cercle et est utilisé pour définir le rayon du cercle. Le premier point utilise le code de contrôle Débuter cercle (centre) et le code de caractéristiques de ligne et le deuxième point n'utilise que le code caractéristiques de ligne. Par exemple, <Entité de ligne> <Débuter cercle (centre)> pour le premier point et puis <Entité de ligne> pour le deuxième point.
REMARQUE – Les cercles sont tracés horizontaux à l'élévation du premier point avec une élévation.
Pour mesurer un cercle quand vous connaissez le rayon :
- Appuyez sur
.
- Sélectionnez le code de caractéristiques pour l'entité dans le code formulaire Mesurer codes. Ce code de caractéristiques doit être défini comme un entité de ligne dans la bibliothèque de codes de caractéristiques. Le code d’entité de ligne est ajouté au champ Code.
- Au centre du cercle, appuyez sur Débuter cercle (centre)
. Le code Débuter cercle (centre) est ajouté au champ Code.
-
Entrez la valeur de rayon dans le champ Multi-code .
-
Mesurez et stockez le point.
Le cercle est dessiné sur la carte.
Pour mesurer un cercle si vous ne connaissez pas le rayon :
- Au centre du cercle, appuyez sur Débuter cercle (centre)
. Le code Débuter cercle (centre) est ajouté au champ Code.
- Sélectionnez le code de caractéristiques pour l'entité dans le code formulaire Mesurer codes. Ce code de caractéristiques doit être défini comme un entité de ligne dans la bibliothèque de codes de caractéristiques. Le code d’entité de ligne est ajouté au champ Code.
-
Mesurez et stockez le point.
- Pour mesurer un point pour définir le rayon, déplacez-vous à un emplacement sur le bord du cercle. Ce point utilise le même code de caractéristiques de ligne celui que vous avez sélectionné pour le premier point.
- Mesurez et stockez le point. Ce dernier point complète le cercle, et le cercle est dessiné sur la carte.
Pour ajouter un déport à une ligne ou un arc
Vous pouvez ajouter une valeur de déport horizontale et/ou verticale pour décaler des lignes et des arcs.
REMARQUE – Vous ne pouvez pas décaler des lignes de fond créées à l'aide de codes de contrôle à courbe lisse.
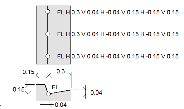
Par exemple, lors d'un levé d'une bordure et d'un caniveau, vous pouvez mesurer des points au ligne de flux (inverser) du caniveau à l'aide d'un code de ligne et puis configurer les codes de contrôle de déport horizontaux et verticaux pour le trottoir et le caniveau. Par exemple, <Code de ligne> <Déport horizontal> 0.3 <Déport vertical> 0.04.
Consultez l'exemple concret suivant d'une bordure et caniveau où FL est le code de ligne pour la ligne de flux, H est le code de contrôle du déport horizontal et V est le code de contrôle du déport vertical:
Pour applique les valeurs de déport au prochain point à mesurer :
- Appuyez sur Déport
.
- Dans le champ Numéro, sélectionnez le nombre de déports à définir.
-
Entrez les valeurs du Déport horizontal et du Déport vertical.
Une valeur de Déport horizontal positive se décale à droite de la direction de la ligne, une valeur négative se décale à gauche.
Une valeur de Déport vertical positive se décale au-dessus de la ligne, une valeur négative se décale sous la ligne.
-
Appuyez sur Accepter.
Les informations de déport s’affichent dans le champ Code, indiquant que la (les) valeur (s) de déport seront appliquées à la mesure suivante.
REMARQUE – Lors de l’application des déports, Trimble vous recommande d’utiliser les codes de contrôle Commencer séq. liaison
et Terminer séq. liaison
pour commencer et terminer la ligne. Le code de contrôle Terminer séq. liaison
éteint automatiquement le bouton déport et supprime le texte du déport.
Codes de contrôle spéciaux pour joindre des points et sauter des liaisons
- Pour joindre le point courant à un point sélectionné, appuyez sur Joindre au pt nommé
et puis entrez le nom du point ou sélectionnez le point dans la carte et appuyez sur Accepter.
- Pour joindre un point au premier point dans la séquence ayant le même code de caractéristiques, appuyez sur Joindre au premier (même code)
.
- Pour mesurer un point mais ne pas le joindre au dernier point mesuré, appuyez sur Aucune liaison
et puis mesurer et stocker le point.
Pour configurer le nom du point suivant
- Pour vérifier quelle sera le nom du point, appuyez sur
. Le texte après l’élément de menu Nom du point suivant indique le prochain nom du point.
- Pour définir le nom du point suivant, appuyez sur
et sélectionnez Nom du point suivant.
- Entrez le nom du point et un code pour le point suivant.
- Appuyez sur Accepter.