コードの測定でコントロールコードを使用して特徴を作成するには
このトピックでは、コードの測定フォームからコントロールコードを使用して特徴を作成する方法を説明します。ポイントのが測定または地形の測定フォームからも制御コードを使用し特徴を作成できます
観測を測定しながら特徴を作成する際:
- コードは、必ず特徴コードから先に選択し、次に制御コードを選択します。
- 必要な場合は、1つの観測に対して複数のコントロールコードを選択できます。これを行うには、ツールバーで必要なコントロールコードを複数選択してください。
- 複数のライン特徴コードを使用する特徴の場合や、特徴を配列する場合には、測定コードフォームのマルチコードボタン
をタップし、ライン特徴コードを選択した後に、CAD ツールバーから制御コード(複数可)を選択します。アクティブな制御コードのボタンは、マルチコードボタンの使用時は黄色で強調表示されません。
注意 –
- ポイントを測定しながら特徴を作成する場合、コードの測定フォームの代わりにポイントのが測定や地形の測定フォームを使用するときには作業フローが若干異なります。測定コードフォームでは、CADツールバーから最初のコントロールコードアクションを選択してから、特徴コードを選択します。これは通常、特徴コードを選択することにより、測定が開始されるためです。ポイントの測定や地形の測定では、コードフィールド内のライン特徴コードをまず選択し、CADツールバーを使ってコントロールコードをコードフィールドに追加します。
-
コントロールコードは通常、項目の開始や終了時にのみ使用されることから、ポイントの測定や地形の測定フォームを使用する際、ポイントが測定され次第、コントロールコードはコードフィールドから自動的に削除されます。特徴コードはコードフィールド内に残り、特徴内の次のポイントに使用されます。
コードの測定を使用してラインを測定するには
- 結合 列の開始
をタップします。結合列の開始コード がコードフィールドに追加されます。
-
コードの測定フォームで対象特徴の特徴コードを選択します。この特徴コードは、特徴コードライブラリでライン特徴として定義される必要があります。ライン特徴コードは、コードフィールドに追加されます。
- ポイントを測定し保存します。
- ポイントを測定し続けてラインを形成します。その際、開始ポイントに使用したのと同じ特徴コードを各ポイントに割り当てます。 各ポイントを測定し、保存するとともに、マップ内に各ライン区間が表示されていきます。
-
ラインの最終ポイントに達したら、結合列の終了
をタップします。結合列の終了コード がコードフィールドに追加されます。
結合列の終了
をタップし、同一ライン特徴コードを持つ次のポイントがこのラインに結合されないようにします。ライン列を開始する際に、毎回結合列の開始を使用する場合は、結合列の終了で特徴を終了することもできます。
- ポイントを測定し保存します。この最終保存ポイントによりラインが終わります。
コードの測定を使用し、接線円弧を測定するには
-
結合 列の開始
をタップします。結合列の開始コード がコードフィールドに追加されます。
注意 – 接線円弧は、接線情報を計算できるようにするため、少なくとも1つのポイントに結合される必要があります。
- コードの測定フォームで対象特徴の特徴コードを選択します。この特徴コードは、特徴コードライブラリでライン特徴として定義される必要があります。ライン特徴コードは、コードフィールドに追加されます。
- ポイントを少なくとも1つ測定し、これを接線方向に円弧が描画される際の起点とします。
-
円弧の作成を開始するには、接線円弧の作成
をタップします。接線円弧の開始コード がコードフィールドに追加されます(特徴コードの後に)。
このポイントと1つ前のポイントの間の方位により、入り口接線方向が定義されます。
- ポイントを測定し保存します。
-
接線円弧の終了
をタップします。接線円弧の終了コード がコードフィールドに追加されます。
- ポイントを測定し保存します。この最終保存ポイントにより円弧が終わります。
- 必要に応じ、引き続きライン特徴用にポイントの測定と保存を行います。
注意 – 円弧が算出できなかった場合、その部分が赤い点線で描かれ、コード使用上の問題があることを示します。これが発生する状況として:
- 2つのポイントで定義された円弧で、円弧の開始点の入り口で接線情報が定義されていない場合。
- 開始と終了の両方が接線として定義されていて、2つポイントのある円弧で、その接線が機能していない場合。
コードの測定を使用し、非接線円弧を測定するには
- ラインの一部に円弧を含めるには、結合列の開始
をタップします。結合列の開始コード がコードフィールドに追加されます。
- コードの測定フォームで対象特徴の特徴コードを選択します。この特徴コードは、特徴コードライブラリでライン特徴として定義される必要があります。ライン特徴コードは、コードフィールドに追加されます。
- 非接線円弧の開始
をタップします。非接線円弧の開始コード がコードフィールドに追加されます。
- ポイントを測定し保存します。
- ポイントを測定し続けて円弧を形成します。その際、開始ポイントに使用したのと同じライン特徴コードを各ポイントに割り当てます。各ポイントを測定し、保存するとともに、マップ内に各円弧区間が表示されていきます。
-
円弧の最終ポイントに達したら、非接線円弧の終了
をタップします。非接線円弧の終了コード がコードフィールドに追加されます。
- ポイントを測定し保存します。この最終保存ポイントにより円弧が終わります。
ヒント - 2つの連続円弧間の遷移ポイントを測定するには、最初の円弧の終点を測定する前に終了円弧ボタンと開始円弧ボタンの両方をタップします。
注意 – 非接線円弧の2点のみが測定済みの場合など、円弧が計算できないときは、その部分は赤い点線で描かれ、問題があることを示します。
コードの測定を使用して滑らかな曲線を測定するには
「滑らかな曲線」制御コードを使用し、滑らかに描かれた曲線を作成します。「滑らかな曲線の終了」コードを使用する時点まで、その後のポイントを滑らかな曲線に追加していきます。
注意 – 曲線を形成しているポイントの中に高さがないポイントがある場合、曲線全体が2Dと見なされ、グランドプレーン上に置かれます。
- 滑らかな曲線の開始
をタップします。滑らかな曲線の開始コード がコードフィールドに追加されます。
- コードの測定フォームで対象特徴の特徴コードを選択します。この特徴コードは、特徴コードライブラリでライン特徴として定義される必要があります。ライン特徴コードは、コードフィールドに追加されます。
- ポイントを測定し保存します。
- ポイントを測定し続けて曲線を形成します。その際、開始ポイントに使用したのと同じライン特徴コードを各ポイントに割り当てます。 各ポイントを測定し、保存するとともに、マップ内に各曲線区間が表示されていきます。
- 円弧の最終ポイントに達したら、滑らかな曲線の終了
をタップします。滑らかな曲線の終了コード がコードフィールドに追加されます。
- ポイントを測定し保存します。この最終保存ポイントによりラインが終わります。
コードの測定を使用して長方形を測定するには
長方形の測定は、以下の方法で可能です: 
- 以下の条件を満たす2つのポイントを測定する――1つ目のポイント(1)は長方形の1つの角を定義するポイントであり、2つ目のポイント(2)は、長方形の次の角を定義するポイントであり、さらにこれらポイントのうち一方が幅の値(3)を含んでいる。最初のポイントは長方形の開始コントロールコードとライン特徴コードを使用し、2つ目のポイントはライン特徴コードだけを使用します。これらポイントの一方に対し、ライン特徴コードの後に幅の値を入力します。例えば、<長方形の開始> <ライン特徴> 8を1つ目のポイントに使用し、さらに<ライン特徴>を2つめ目のポイントに使用します。
- 以下の条件を満たす3ポイントを測定する――最初のポイント(4)が長方形の1つの角を定義し、2つ目のポイント(5)が長方形の次の角を定義し、3つ目のポイント(6)が長方形の幅の定義に使用される。最初のポイントは長方形の開始コントロールコードとライン特徴コードを使用し、2つ目と3つ目のポイントはライン特徴コードだけを使用します。
注意 – 長方形はすべての点の高さを考慮して描かれます。
長方形を測定するには、幅が分かっている場合は:
- 長方形の最初の角の位置にまで移動します。
-
をタップします。
- コードの測定フォームで対象特徴の特徴コードを選択します。この特徴コードは、特徴コードライブラリでライン特徴として定義される必要があります。ライン特徴コードは、コードフィールドに追加されます。
- 長方形の開始
タップします。長方形の開始コードがコードフィールドに追加されます。
- マルチコードフィールドに長方形の幅を入力します。ライン方向の右に長方形を作成するには正の値を入力し、左に長方形を作成するには負の値を入力します。
- ポイントを測定し保存します。
-
長方形の長辺に沿って2つめの角を動かします。このポイントは、開始ポイントに選択したのと同じライン特徴コードを使用します。
- ポイントを測定し保存します。この最後の保存ポイントで長方形が終了し、長方形がマップ上の描画されます。
長方形を測定するには、幅が分からない場合は:
- 長方形の最初の角の位置にまで移動します。
- 長方形の開始
タップします。長方形の開始コードがコードフィールドに追加されます。
- コードの測定フォームで対象特徴の特徴コードを選択します。この特徴コードは、特徴コードライブラリでライン特徴として定義される必要があります。ライン特徴コードは、コードフィールドに追加されます。
- ポイントを測定し保存します。
-
長方形の長辺に沿って2つめの角を動かします。このポイントは、開始ポイントに選択したのと同じライン特徴コードを使用します。
-
ポイントを測定し保存します。
- 長方形の幅を定義するもう一つのポイントを測定するには、長方形の反対側の位置まで移動します。このポイントは、開始ポイントに選択したのと同じライン特徴コードを使用します。
- ポイントを測定し保存します。この最後の保存ポイントで長方形が終了し、長方形がマップ上の描画されます。
コードの測定を使用し、円周を使用して円を測定するには
円を測定するには、円周上の3点を測定します。1つ目のポイントは、ライン特徴コードと円の開始(円周)コントロールコードを使用し、2つ目と3つ目のポイントはライン特徴コードのみを使用します。
注意 – 円は1つ目の点の高さから一定の高さに水平に描かれます。
- 円周上の1つ目のポイントで、円の開始(円周)
をタップします。円の開始(円周)コードがコードフィールドに追加されます。
- コードの測定フォームで対象特徴の特徴コードを選択します。この特徴コードは、特徴コードライブラリでライン特徴として定義される必要があります。ライン特徴コードは、コードフィールドに追加されます。
- ポイントを測定し保存します。
- 円周上の2つ目のポイントまで移動します。このポイントは、開始ポイントに選択したのと同じライン特徴コードを使用します。
- ポイントを測定し保存します。
- 円周上の3つ目のポイントまで移動します。このポイントは、開始ポイントに選択したのと同じライン特徴コードを使用します。
- ポイントを測定し保存します。この最後の保存ポイントで円が終了し、円がマップ上に描画されます。
コードの測定を使用し、円心を使用して円を測定するには
円心を使用して円を測定するには、下記の操作で可能です:
- 円心で単一ポイント(1)を測定してから、半径の値(2)を測定します。円心は、そのポイントが円の開始(円心)コントロールコードとライン特徴コードを使用する位置にあります。例えば、<円の開始(円心)> <ライン特徴> 8。
- 1つのポイント(3)を円の中心で測定してから、さらに2つ目のポイント(4)(円周上にあり、円の半径の定義に使用されているポイント)を測定します。最初のポイントは円の開始(円心)コントロールコードとライン特徴コードを使用し、2つ目のポイントはライン特徴コードだけを使用します。例えば、<Line feature> <Start circle (center)>を1つ目のポイントに使用してから、さらに<Line feature> を2つ目のポイントに使用します。
注意 – 円は1つ目の点の高さから一定の高さに水平に描かれます。
長方形を測定するには、半径が分かっている場合は:
-
をタップします。
- コードの測定フォームで対象特徴の特徴コードを選択します。この特徴コードは、特徴コードライブラリでライン特徴として定義される必要があります。ライン特徴コードは、コードフィールドに追加されます。
- 円心で、円の開始(円心)
をタップします。円の開始(円心)コードがコードフィールドに追加されます。
-
マルチコードフィールドに半径の値を入力します。
-
ポイントを測定し保存します。
マップ上に円が描画されます。
長方形を測定するには、半径が分からない場合は:
- 円心で、円の開始(円心)
をタップします。円の開始(円心)コードがコードフィールドに追加されます。
- コードの測定フォームで対象特徴の特徴コードを選択します。この特徴コードは、特徴コードライブラリでライン特徴として定義される必要があります。ライン特徴コードは、コードフィールドに追加されます。
-
ポイントを測定し保存します。
- 半径を定義するポイントを測定するには、円周上の位置まで移動します。このポイントは、開始ポイントに選択したのと同じライン特徴コードを使用します。
- ポイントを測定し保存します。この最後のポイントで円が完成し、円がマップ上に描画されます。
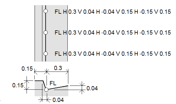
ラインや円弧にオフセットを追加するには
水平または鉛直オフセット(またはその両方)の値を追加し、ラインや円弧をオフセットすることができます。
注意 – 滑らかな曲線の制御コードを使用して線画をオフセットすることはできません。
例えば、路肩や側溝の測量を行う際、ラインコードを使用して側溝の流れ線(反転)にあるポイントを測定してから、その路肩や側溝に対して水平および鉛直オフセットコントロールコードを設定することができます。例えば、<Line code> <Horizontal offset> 0.3 <鉛直オフセット> 0.04。
下記に挙げるのは、FLが流れ線のラインコードであり、Hが水平オフセット制御コード、Vが鉛直オフセット制御コードとなっている路肩および側溝の実例です:
観測する次のポイントにオフセット値を適用するには:
- オフセット
をタップします。
- 数フィールドから、定義するオフセットの数を選択します。
-
水平オフセットおよび鉛直オフセットの値を入力します。
正の値の水平オフセットはライン方向の右側にオフセットし、負の値は左にオフセットします。
正の値の鉛直オフセットはラインの上へオフセットし、負の値はラインの下へオフセットします。
-
「承認」をタップします。
オフセット情報がコードフィールドに表示され、オフセット値が次の測定に適用されることを示します。
注意 – オフセットを適用する場合は、Trimbleでは結合列の開始
制御コードと結合列の終了
制御コードを使用してライン開始および終了することを推奨します。結合列の終了
制御コードにより、オフセットボタンは自動的にオフになり、オフセットテキストは削除されます。
ポイントの結合と結合のスキップのための特別な制御コード
- 現在のポイントを選択中のポイントまで結合するには、名前を付けたポイントまで結合
をタップしてから、ポイント名を入力するか、またはマップ内でポイントを選択し、承諾をタップします。
- あるポイントを列の中の同じライン特徴コードを持つ最初のポイントに結合するには、最初のポイント(同一コード)まで結合する
をタップします。
- あるポイントを測定する場合、それを前回測定した特徴に結合しないときは、結合なし
をタップしてからポイントの測定を行い、保存します。
次のポイント名を設定するには
- 次のポイントの名前がどのような名前になるのか確認するには、
をタップします。次のポイント名の後の文字情報が次のポイント名になります。
- 次のポイントの名前を設定するには、
をタップし、次のポイント名を選択します。
- ポイント名と、次のポイントのコードを入力します。
- 「承認」をタップします。