코드 측정에서 제어 코드로써 피쳐 만들기
이 항목에서는 코드 측정 양식에서 제어 코드로써 피쳐를 만드는 방법에 대해 설명합니다.포인트 측정 또는 Topo 측정 양식에서 제어 코드로써 피쳐를 만들 수도 있습니다.
관측 측정을 해가면서 피쳐를 만들 때:
- 항상 먼저 피쳐 코드를 선택하고 제어 코드를 선택합니다.
- 필요하면 관측 하나에 복수의 제어 코드를 선택할 수 있습니다. 그냥 툴바에서 필요한 제어 코드를 선택하면 됩니다.
- 피쳐가 복수의 선 피쳐 코드를 사용할 경우나 피쳐를 스트링할 때는 코드 측정 양식에서 멀티 코드 버튼
을 누르고 먼저 선 피쳐 코드를 선택한 뒤 CAD 툴바에서 제어 코드를 선택합니다. 멀티 코드 버튼을 사용할 때 활성 제어 코드의 버튼은 노란색으로 하이라이트되지 않습니다.
참조 –
- 포인트를 측정해 가면서 피쳐를 만들 경우 코드 측정 양식보다는 포인트 측정이나 Topo 측정 양식을 사용할 때 워크플로가 약간 다릅니다.코드 측정 양식에서는 먼저 CAD 툴바에서 제어 코드 동작을 선택한 뒤 피쳐 코드를 선택하게 됩니다. 피쳐 코드를 선택하면 일반적으로 측정이 촉발되기 때문입니다.포인트 측정이나 Topo 측정 양식에서는 먼저 코드 입력란에서 선 피쳐 코드를 선택한 뒤 CAD 툴바를 사용해 제어 코드를 코드 입력란에 첨가하게 됩니다.
-
일반적으로 제어 코드는 항목의 시작 지점이나 끝 지점에서 한 번만 사용되기 때문에 포인트 측정이나 Topo 측정 양식을 사용할 경우 포인트가 측정되면 제어 코드가 코드 입력란에서 자동 제거됩니다.피쳐 코드는 피쳐의 그 다음 포인트에 사용할 준비가 완료되어 코드 입력란에 그대로 유지됩니다.
코드 측정 기능으로 선 측정하기
- 연결 순차 시작
을 누릅니다. 연결 순차 시작 코드가 코드 입력란에 추가됩니다.
-
코드 측정 화면에서 해당 피쳐의 피쳐 코드를 선택합니다.이 피쳐 코드는 피쳐 코드 라이브러리에서 선 피쳐로서 정의되어야 합니다.선 피쳐가 코드 입력란에 추가됩니다.
- 해당 포인트를 측정하고 저장합니다.
- 선을 이룰 포인트를 계속 측정해 가며 각 포인트에 대해서는 시작점에 사용한 것과 동일한 피쳐 코드를 지정합니다.각 포인트를 측정하고 저장할 때마다 맵에 각각의 선 세그먼트가 나타납니다.
-
선의 최종 포인트에 도달하면 연결 순차 종료
를 누릅니다. 연결 순차 종료 코드가 코드 입력란에 추가됩니다.
연결 순차 종료
를 눌러 동일한 선 피쳐 코드가 있는 그 다음 포인트가 이 선에 연결되지 않게 합니다. 하지만 선 순차를 시작할 때 항상 연결 순차 시작을 사용하면 꼭 연결 순차 종료로써 피쳐를 종료할 필요는 없습니다.
- 해당 포인트를 측정하고 저장합니다. 마지막으로 저장한 이 포인트가 선 끝점이 됩니다.
코드 측정 기능으로 접선형 호 측정하기
-
연결 순차 시작
을 누릅니다. 연결 순차 시작 코드가 코드 입력란에 추가됩니다.
참조 – 접선 정보를 계산할 수 있도록 접선형 호는 적어도 1개 이상의 포인트와 연결되어야 합니다.
- 코드 측정 화면에서 해당 피쳐의 피쳐 코드를 선택합니다.이 피쳐 코드는 피쳐 코드 라이브러리에서 선 피쳐로서 정의되어야 합니다.선 피쳐가 코드 입력란에 추가됩니다.
- 접선형으로 호가 그려질 기점 포인트를 적어도 1개 이상 측정합니다.
-
호 만들기를 시작하려면 접선형 호 시작
을 누릅니다. 접선형 호 시작 코드가 피쳐 코드 다음에 코드 입력란에 추가됩니다.
이 포인트와 이전 포인트 사이의 방위각에 의해 진입 접선 방향이 정해집니다.
- 해당 포인트를 측정하고 저장합니다.
-
접선형 호 종료
를 누릅니다. 접선형 호 종료 코드가 코드 입력란에 추가됩니다.
- 해당 포인트를 측정하고 저장합니다. 마지막으로 저장한 이 포인트가 호 끝점이 됩니다.
- 필요하면 선 피쳐의 포인트를 계속 측정하고 저장합니다.
참조 – 호를 계산할 수 없다면 빨간 점선으로 세그먼트가 그려져 어떤 문제가 있음을 나타냅니다. 이런 일이 일어나는 경우:
- 호가 두 포인트에 의해 정의되고, 호 시점 진입부에서 접선 정보가 정의되어 있지 않을 때
- 두 점 호가 시점과 종점 모두에 접선으로 정의되지만 이들 접선이 올바로 기능하지 않을 때
코드 측정 기능으로 비접선형 호 측정하기
- 호를 선의 일부분으로 포함시키려면 연결 순차 시작
을 누릅니다. 연결 순차 시작 코드가 코드 입력란에 추가됩니다.
- 코드 측정 화면에서 해당 피쳐의 피쳐 코드를 선택합니다.이 피쳐 코드는 피쳐 코드 라이브러리에서 선 피쳐로서 정의되어야 합니다.선 피쳐가 코드 입력란에 추가됩니다.
- 비접선형 호 시작
을 누릅니다. 비선형 호 시작 코드가 코드 입력란에 추가됩니다.
- 해당 포인트를 측정하고 저장합니다.
- 호를 이룰 포인트를 계속 측정해 가며 각 포인트에 대해서는 시작점에 사용한 것과 동일한 선 피쳐 코드를 지정합니다.각 포인트를 측정하고 저장할 때마다 맵에 각각의 호 세그먼트가 나타납니다.
-
호의 최종 포인트에 도달하면 비접선형 호 종료
를 누릅니다. 비선형 호 종료 코드가 코드 입력란에 추가됩니다.
- 해당 포인트를 측정하고 저장합니다. 마지막으로 저장한 이 포인트가 호 끝점이 됩니다.
팁 – 연이은 2개 호 사이의 전이점을 측정하려면 첫 호의 끝점을 측정하기 전에 호 종료 버튼과 호 시작 버튼을 둘 다 누릅니다.
참조 – 비접선형 호의 두 점만 측정되었을 때와 같이 호를 계산할 수 없는 경우에는 빨간 점선으로 세그먼트가 그려져 어떤 문제가 있음을 나타냅니다.
코드 측정 기능으로 매끄러운 곡선 측정하기
매끄러운 곡선 시작 제어 코드를 사용해 매끄러운 곡선을 만듭니다.매끄러운 곡선 종료 제어 코드를 사용할 때까지 후속 점이 매끄러운 곡선에 추가됩니다.
참조 – 곡선 구성 포인트에 공백값 표고가 있으면 전체 곡선은 2D로 간주되며, 지상 평면에 놓이게 됩니다.
- 매끄러운 곡선 시작
을 누릅니다. 매끄러운 곡선 시작 코드가 코드 입력란에 추가됩니다.
- 코드 측정 화면에서 해당 피쳐의 피쳐 코드를 선택합니다.이 피쳐 코드는 피쳐 코드 라이브러리에서 선 피쳐로서 정의되어야 합니다.선 피쳐가 코드 입력란에 추가됩니다.
- 해당 포인트를 측정하고 저장합니다.
- 곡선을 이룰 포인트를 계속 측정해 가며 각 포인트에 대해서는 시작점에 사용한 것과 동일한 선 피쳐 코드를 지정합니다. 각 포인트를 측정하고 저장할 때마다 맵에 각각의 곡선 세그먼트가 나타납니다.
- 호의 최종 포인트에 도달하면 매끄러운 곡선 종료
를 누릅니다. 매끄러운 곡선 종료 코드가 코드 입력란에 추가됩니다.
- 해당 포인트를 측정하고 저장합니다. 마지막으로 저장한 이 포인트가 선 끝점이 됩니다.
코드 측정 기능으로 직사각형 측정하기
다음 방식으로 직사각형을 측정합니다. 
- 두 포인트를 측정합니다. 여기서 첫째 점(1)은 직사각형의 한 꼭지점을 정의하고 둘째 점(2)는 그 다음 꼭지점을 정의하며 둘 중 어느 한 점에 너비 값(3)이 있습니다.첫째 점은 직사각형 시작 제어 코드와 선 피쳐 코드를 사용하고, 둘째 점은 선 피쳐 코드만 사용합니다.두 점 중 하나에 대해서는 선 피쳐 코드 다음에 너비 값을 입력합니다.예를 들어, 첫째 점에 <직사각형 시작> <선 피쳐> 8, 둘째 점에 <선 피쳐>
- 세 포인트를 측정합니다. 여기서 첫째 점(4)는 직사각형의 한 꼭지점을 정의하고 둘째 점(5)는 그 다음 꼭지점을 정의하며 셋째 점(6)은 직사각형 폭 정의에 쓰입니다.첫째 점은 직사각형 시작 제어 코드와 선 피쳐 코드를 사용하고, 둘째 및 셋째 점은 선 피쳐 코드만 사용합니다.
참조 – 직사각형은 모든 점의 표고를 반영해 그려집니다.
폭을 알고 있을 경우 사각형 측정하기:
- 첫 꼭지점 위치로 이동합니다.
-
을 누릅니다.
- 코드 측정 화면에서 해당 피쳐의 피쳐 코드를 선택합니다.이 피쳐 코드는 피쳐 코드 라이브러리에서 선 피쳐로서 정의되어야 합니다.선 피쳐가 코드 입력란에 추가됩니다.
- 직사각형 시작
을 누릅니다. 직사각형 시작 코드가 코드 입력란에 추가됩니다.
- 멀티 코드 입력란에 직사각형의 폭을 입력합니다.선 방향 오른쪽에 직사각형을 만들려면 양수 값을 입력하고, 왼쪽에 만들려면 음수 값을 입력합니다.
- 해당 포인트를 측정하고 저장합니다.
-
직사각형 변을 따라 둘째 꼭지점으로 이동합니다.이 점은 첫째 점에 선택한 것과 동일한 선 피쳐 코드를 사용합니다.
- 해당 포인트를 측정하고 저장합니다. 마지막으로 저장한 이 점으로써 직사각형이 완성되어 맵에 그려집니다.
폭을 알지 못할 경우 사각형 측정하기:
- 첫 꼭지점 위치로 이동합니다.
- 직사각형 시작
을 누릅니다. 직사각형 시작 코드가 코드 입력란에 추가됩니다.
- 코드 측정 화면에서 해당 피쳐의 피쳐 코드를 선택합니다.이 피쳐 코드는 피쳐 코드 라이브러리에서 선 피쳐로서 정의되어야 합니다.선 피쳐가 코드 입력란에 추가됩니다.
- 해당 포인트를 측정하고 저장합니다.
-
직사각형 변을 따라 둘째 꼭지점으로 이동합니다.이 점은 첫째 점에 선택한 것과 동일한 선 피쳐 코드를 사용합니다.
-
해당 포인트를 측정하고 저장합니다.
- 직사각형 너비를 정의할 다른 점을 측정하기 위해 직사각형의 반대쪽 위치로 이동합니다.이 점은 첫째 점에 선택한 것과 동일한 선 피쳐 코드를 사용합니다.
- 해당 포인트를 측정하고 저장합니다. 마지막으로 저장한 이 점으로써 직사각형이 완성되어 맵에 그려집니다.
코드 측정 기능을 사용해 원 가장자리로써 원 측정하기
원 가장자리에 놓인 3개 점으로 원을 측정합니다.첫째 점은 선 피쳐 코드와 원 시작(가장자리) 제어 코드를 사용하고, 둘째 점과 셋째 점은 선 피쳐 코드만 사용합니다.
참조 – 표고가 있는 첫째 점의 표고에서 수평으로 원이 그려집니다.
- 원 가장자리의 첫째 점에서 원 시작(가장자리)
를 누릅니다. 원 시작(가장자리) 코드가 코드 입력란에 추가됩니다.
- 코드 측정 화면에서 해당 피쳐의 피쳐 코드를 선택합니다.이 피쳐 코드는 피쳐 코드 라이브러리에서 선 피쳐로서 정의되어야 합니다.선 피쳐가 코드 입력란에 추가됩니다.
- 해당 포인트를 측정하고 저장합니다.
- 원 가장자리의 둘째 점으로 이동합니다.이 점은 첫째 점에 선택한 것과 동일한 선 피쳐 코드를 사용합니다.
- 해당 포인트를 측정하고 저장합니다.
- 원 가장자리의 셋째 점으로 이동합니다.이 점은 첫째 점에 선택한 것과 동일한 선 피쳐 코드를 사용합니다.
- 해당 포인트를 측정하고 저장합니다. 마지막으로 저장한 이 점으로써 원이 완성되어 맵에 그려집니다.
코드 측정 기능을 사용해 원 중심으로써 원 측정하기
다음과 같이 원 중심으로써 원을 측정합니다. 
- 원 중심에 있는 단일 점 (1)을 측정합니다. 여기서 이 점은 원 시작(중심) 제어 코드와 선 피쳐 코드에 이어 반경 값(2)을 사용합니다.예를 들어, <원 시작(중심)> <선 피쳐> 8
- 원 중심에 있는 1개 점(3)을 측정한 뒤 원 가장자리에 놓이고 반경 정의에 사용되는 둘째 점(4)을 측정합니다.첫째 점은 원 시작(중심) 제어 코드와 선 피쳐 코드를 사용하고, 둘째 점은 선 피쳐 코드만 사용합니다.예를 들어, 첫째 점에 <선 피쳐> <원 시작(중심)>, 둘째 점에 <선 피쳐>
참조 – 표고가 있는 첫째 점의 표고에서 수평으로 원이 그려집니다.
반경을 알고 있을 경우 원 측정하기:
-
을 누릅니다.
- 코드 측정 화면에서 해당 피쳐의 피쳐 코드를 선택합니다.이 피쳐 코드는 피쳐 코드 라이브러리에서 선 피쳐로서 정의되어야 합니다.선 피쳐가 코드 입력란에 추가됩니다.
- 원 중심에서 원 시작(중심)
을 누릅니다. 원 시작(중심) 코드가 코드 입력란에 추가됩니다.
-
멀티 코드 입력란에 반경 값을 입력합니다.
-
해당 포인트를 측정하고 저장합니다.
원이 맵에 그려집니다.
반경을 알지 못할 경우 원 측정하기:
- 원 중심에서 원 시작(중심)
을 누릅니다. 원 시작(중심) 코드가 코드 입력란에 추가됩니다.
- 코드 측정 화면에서 해당 피쳐의 피쳐 코드를 선택합니다.이 피쳐 코드는 피쳐 코드 라이브러리에서 선 피쳐로서 정의되어야 합니다.선 피쳐가 코드 입력란에 추가됩니다.
-
해당 포인트를 측정하고 저장합니다.
- 반경을 정의할 점을 측정하기 위해 원 가장자리의 위치로 이동합니다. 이 점은 첫째 점에 선택한 것과 동일한 선 피쳐 코드를 사용합니다.
- 해당 포인트를 측정하고 저장합니다. 이 마지막 점으로써 원이 완성되어 맵에 그려집니다.
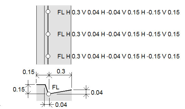
선이나 원호에 옵셋 추가하기
선이나 원호를 옵셋시키기 위해 수평/수직 옵셋 값을 추가할 수 있습니다.
참조 – 매끄러운 곡선 제어 코드로 만든 선작업은 옵셋시킬 수 없습니다.
예를 들어 연석 및 도랑을 측량할 때 선 코드를 사용해 도랑의 흐름선(인버트)에서 포인트를 측정한 뒤 연석 및 도랑의 수평 및 수직 옵셋 제어 코드를 설정할 수 있습니다.예를 들어, <선 코드> <수평 옵셋> 0.3 <수직 옵셋> 0.04
다음의 연석 및 도랑 사례를 참조하십시오(FL은 흐름선의 선 코드, H는 수평 옵셋 제어 코드, V는 수직 옵셋 제어 코드).
측정할 다음 포인트에 옵셋 값 적용하기:
- 옵셋
을 누릅니다.
- 정의할 옵셋의 숫자를 숫자 입력란에서 선택합니다.
-
수평옵셋 값과 수직옵셋 값을 입력합니다.
양수 수평옵셋 값은 선 방향 오른쪽으로, 음수 값은 왼쪽으로 옵셋을 적용합니다.
양수 수직옵셋 값은 선 위로, 음수 값은 선 아래로 옵셋을 적용합니다.
-
수용을 누릅니다.
옵셋 정보가 코드 입력란에 표시되는데 이것은 옵셋 값이 그 다음 측정에 적용된다는 것을 나타냅니다.
참조 – 옵셋을 적용할 경우 Trimble은 연결 순차 시작
과 연결 순차 종료
제어 코드로써 선을 시작하고 종료하기를 권장합니다. 연결 순차 종료
제어 코드는 자동으로 옵셋 버튼을 끄고 옵셋 텍스트를 제거합니다.
포인트 연결 및 연결 건너뛰기를 위한 특별 제어 코드
- 현재 점을 선택된 점에 연결하려면 명명된 포인트에 연결
을 누른 뒤 그 점의 이름을 입력하거나 맵에서 그 점을 선택하고 수용을 누릅니다.
- 어떤 점을 동일한 선 피쳐 코드가 있는 순차의 첫째 점에 연결하려면 처음(같은 코드)으로 연결
을 누릅니다.
- 점을 측정하지만 마지막으로 측정한 점에 연결하지 않으려면 연결 안함
을 누른 뒤 그 점을 측정, 저장합니다.
그 다음 포인트 이름 설정하기
- 그 다음 포인트 이름이 무엇인지 확인하기 위해서는
을 누릅니다.다음 포인트 명 메뉴 항목 다음에 나오는 텍스트가 그 다음 포인트 이름을 나타냅니다.
- 그 다음 포인트의 이름을 설정하려면
을 누르고 다음 포인트 명을 선택합니다.
- 그 다음 포인트의 이름과 코드를 입력합니다.
- 수용을 누릅니다.